EasyManua.ls Logo

AMSTRAD PC1640 - Page 42

AMSTRAD PC1640
76 pages
Print Icon
To Next Page IconTo Next Page
To Next Page IconTo Next Page
To Previous Page IconTo Previous Page
To Previous Page IconTo Previous Page
Loading...
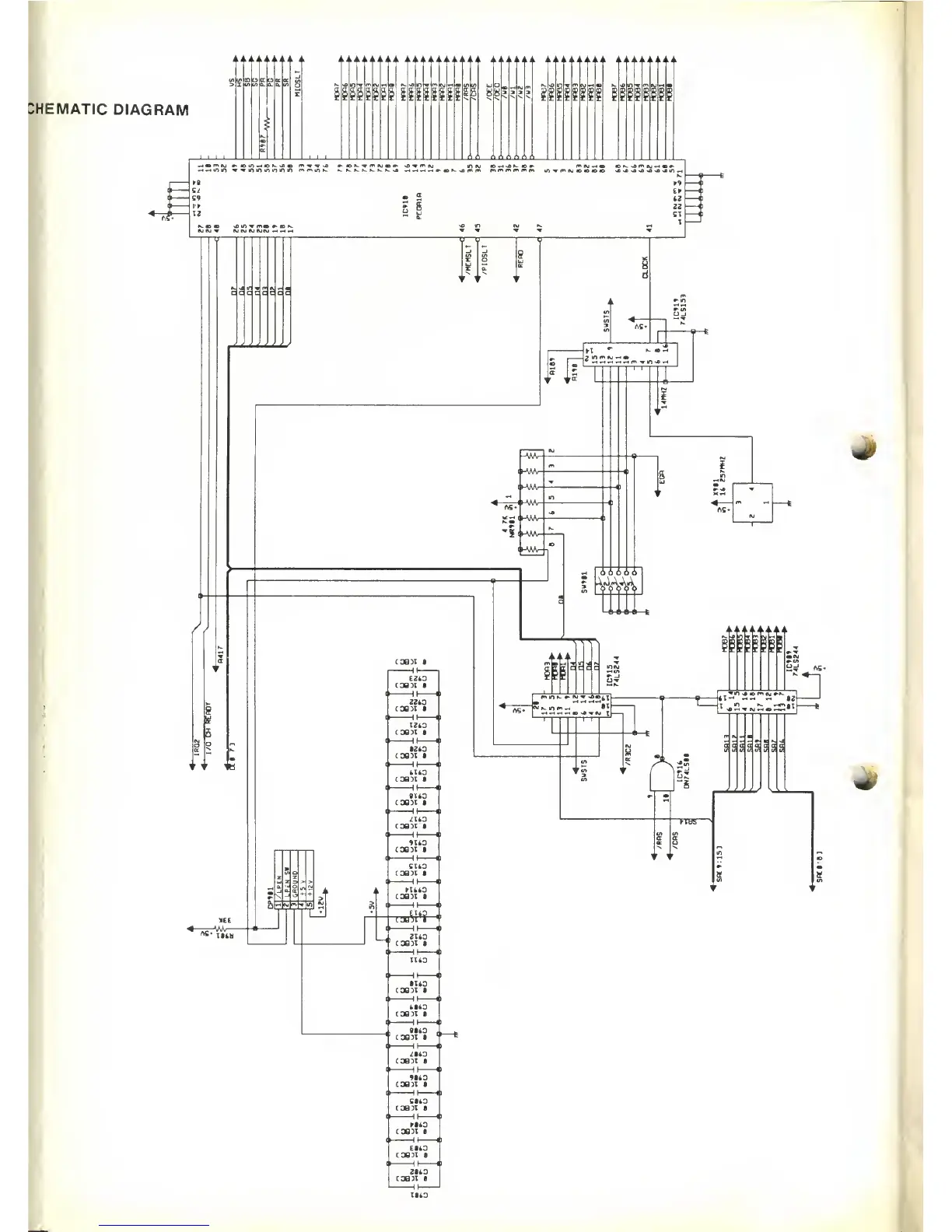
:hematic
diagram

Related product manuals