EasyManua.ls Logo

AMSTRAD PC1640 - Page 71

AMSTRAD PC1640
76 pages
Print Icon
To Next Page IconTo Next Page
To Next Page IconTo Next Page
To Previous Page IconTo Previous Page
To Previous Page IconTo Previous Page
Loading...
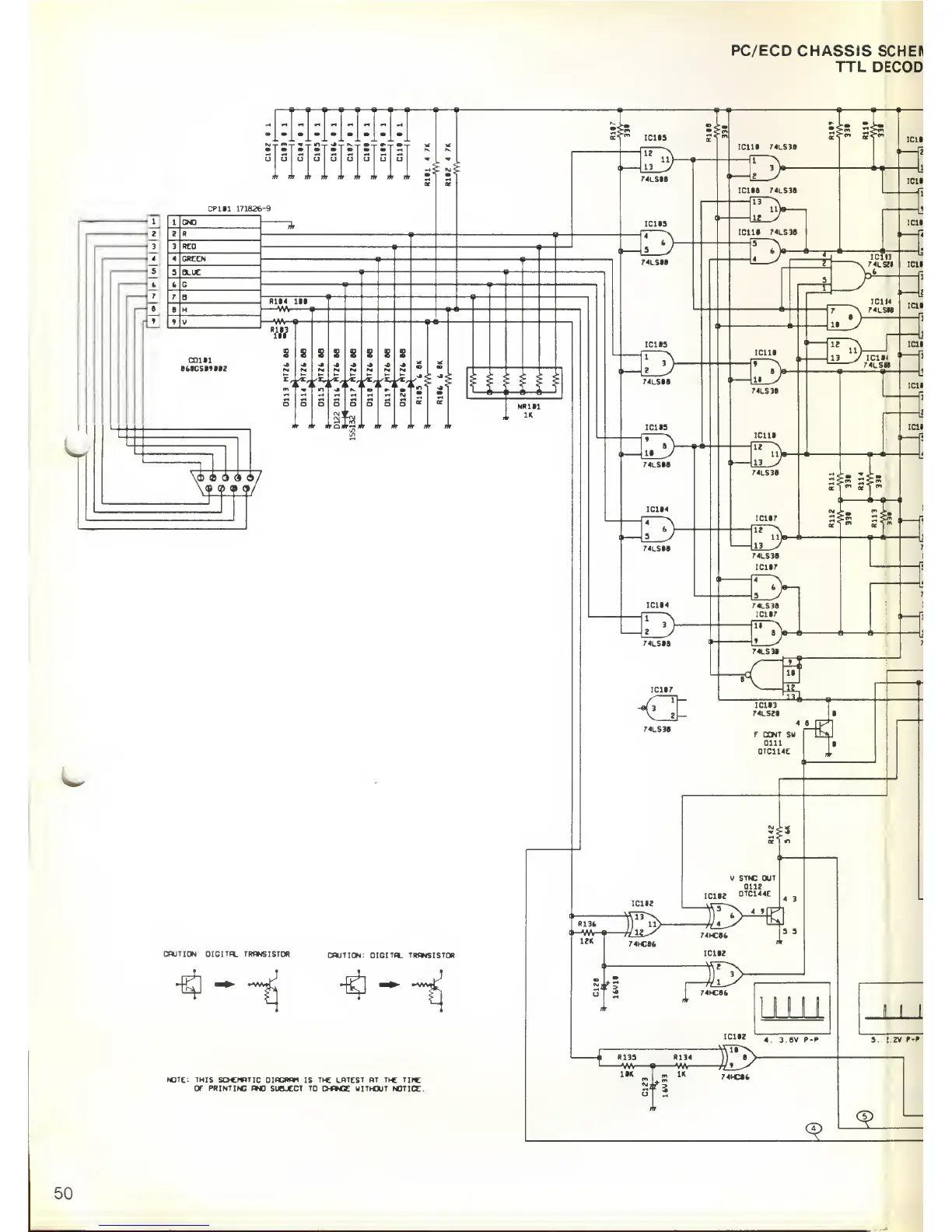
PC/ECD
CHASSIS
SCHEfl
TTL
DECOD
count*: oigithl tronsistor
NOTE: this schematic oibgrbm
is
the latest bt the time
Of printing bno subject to chrngc without
notice
50

Related product manuals