EasyManua.ls Logo

Anritsu MA25400A - MA25400 A Module Outline

Anritsu MA25400A
46 pages
Print Icon
To Next Page IconTo Next Page
To Next Page IconTo Next Page
To Previous Page IconTo Previous Page
To Previous Page IconTo Previous Page
Loading...
8-3 MA25400A Module Outline Mounting in User-Supplied Bracket
8-2 PN: 10410-00311 Rev. F VectorStar ME7838x/x4 Modules RM
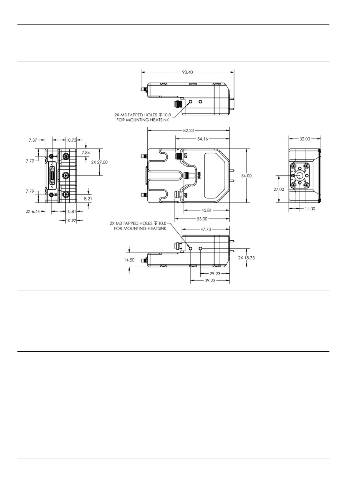
8-3 MA25400A Module Outline
Figure 8-2 shows the outline mechanical requirements for the MA25400A Millimeter-Wave Module.
All dimensions in millimeters.
1 – For mounting, use M3 screws sufficient length that use the maximum number of module housing threads.
A thread engagement of 5 to 6 mm is recommended.
Do not bottom out fasteners.
2 – The module housing is copper. Do not over-torque screws.
3 – The threaded module mounting holes are M3 tapped x 10 mm deep, two each side, four total.
Figure 8-1. MA25400A Millimeter-Wave Module Outline Drawing

Table of Contents