EasyManua.ls Logo

APT VEYRON E 8KW - Page 43

Default Icon
81 pages
Print Icon
To Next Page IconTo Next Page
To Next Page IconTo Next Page
To Previous Page IconTo Previous Page
To Previous Page IconTo Previous Page
Loading...
41
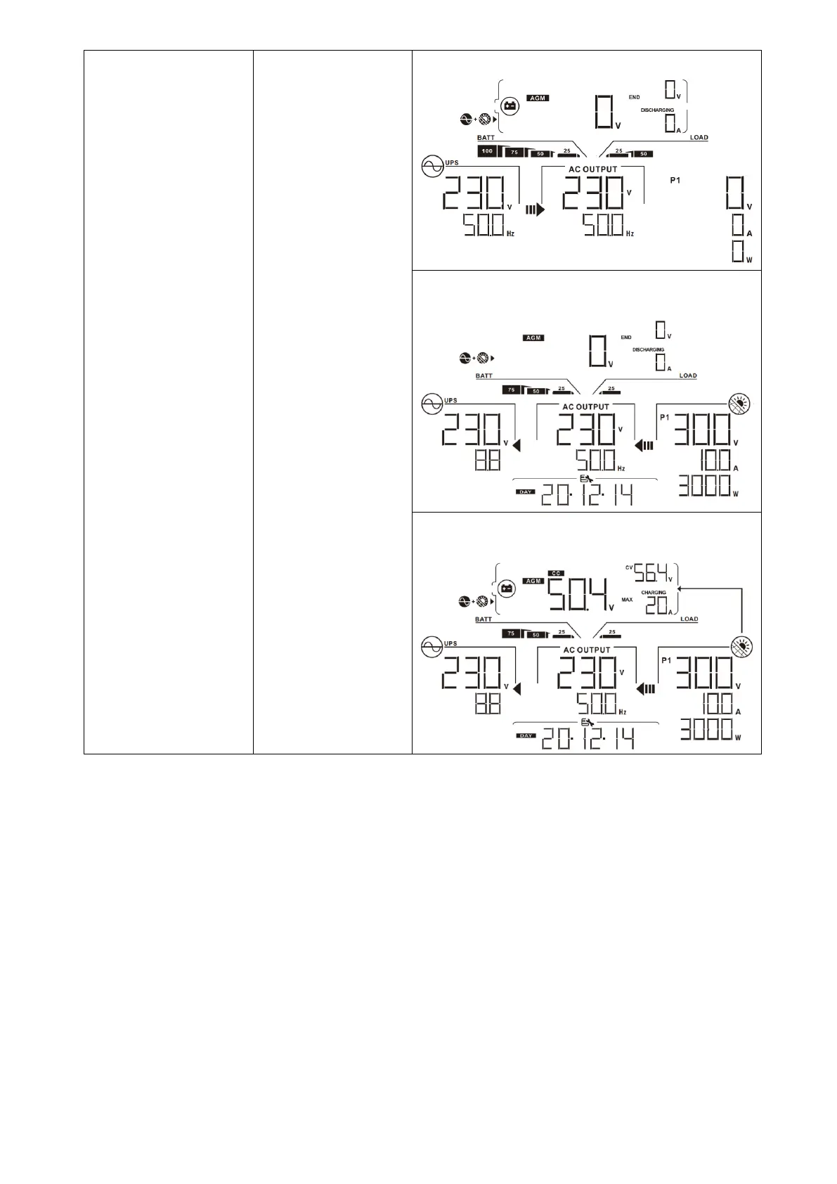
Line Mode
The unit will provide
output power from the
mains. It will also
charge the battery at
line mode.
Power from utility
Power is only generated from PV energy and feeds PV
energy to grid when battery is not connected.
PV energy charges battery, provides power to the load
and feeds remaining energy to the grid.

Table of Contents

Related product manuals