EasyManua.ls Logo

ASEA DBT12 - 7.3. TRIDENT SYSTEM ELECTRICAL INSTALLATION; Split-Phase Power Connections

ASEA DBT12
57 pages
Print Icon
To Next Page IconTo Next Page
To Next Page IconTo Next Page
To Previous Page IconTo Previous Page
To Previous Page IconTo Previous Page
Loading...
DBT12/15/24 Operations Manual....38
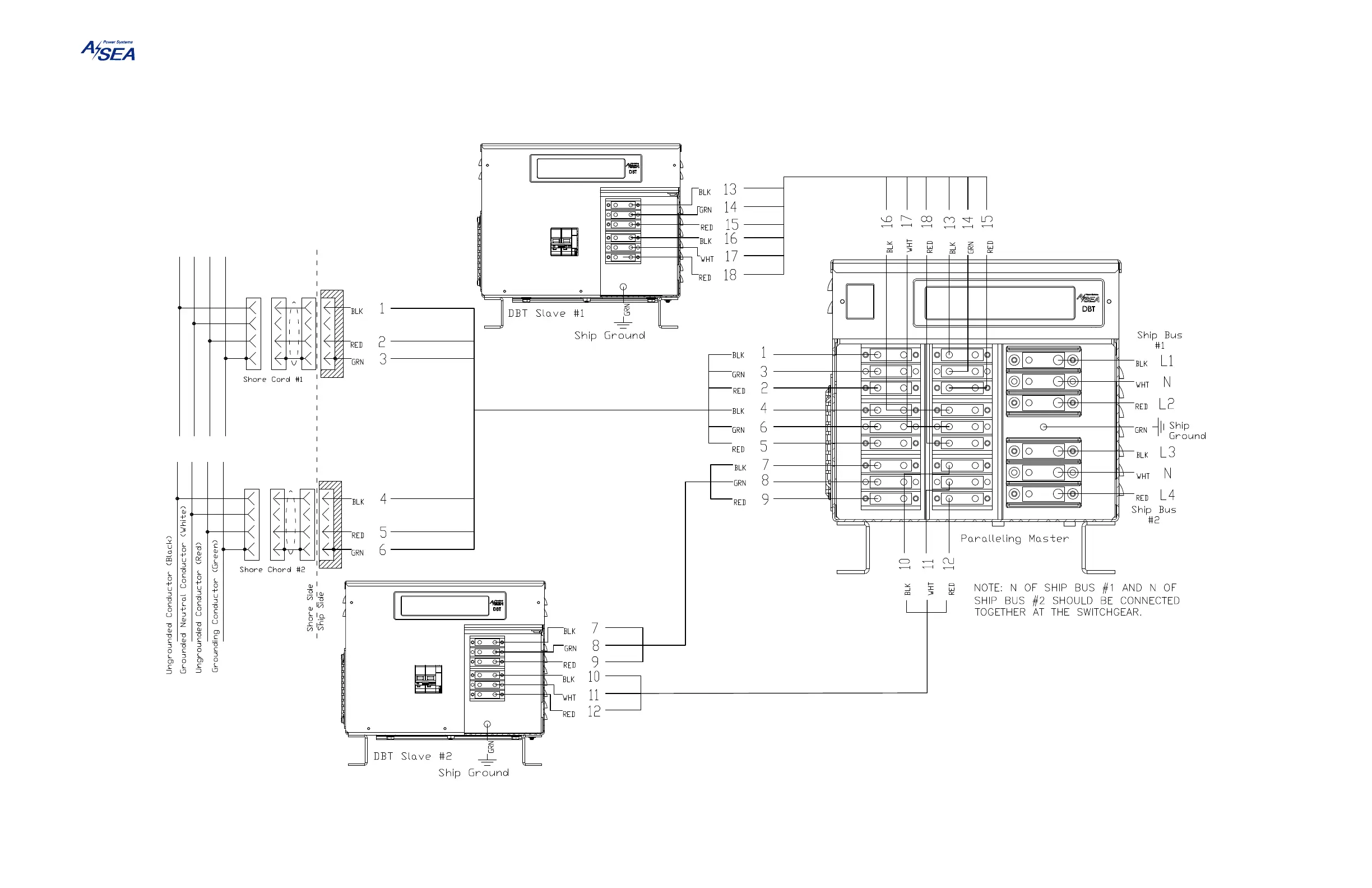
7.3. TRIDENT SYSTEM ELECTRICAL INSTALLATION
Power connections for Trident Systems should be according to Figure 17 for split-phase and Figure 18 for single-phase ship installations.
Figure 17: Trident System Power Connection Diagram for Split-Phase Installations

Table of Contents