EasyManua.ls Logo

ASEA DBT12 - Single-Phase Power Connections

ASEA DBT12
57 pages
Print Icon
To Next Page IconTo Next Page
To Next Page IconTo Next Page
To Previous Page IconTo Previous Page
To Previous Page IconTo Previous Page
Loading...
DBT12/15/24 Operations Manual....40
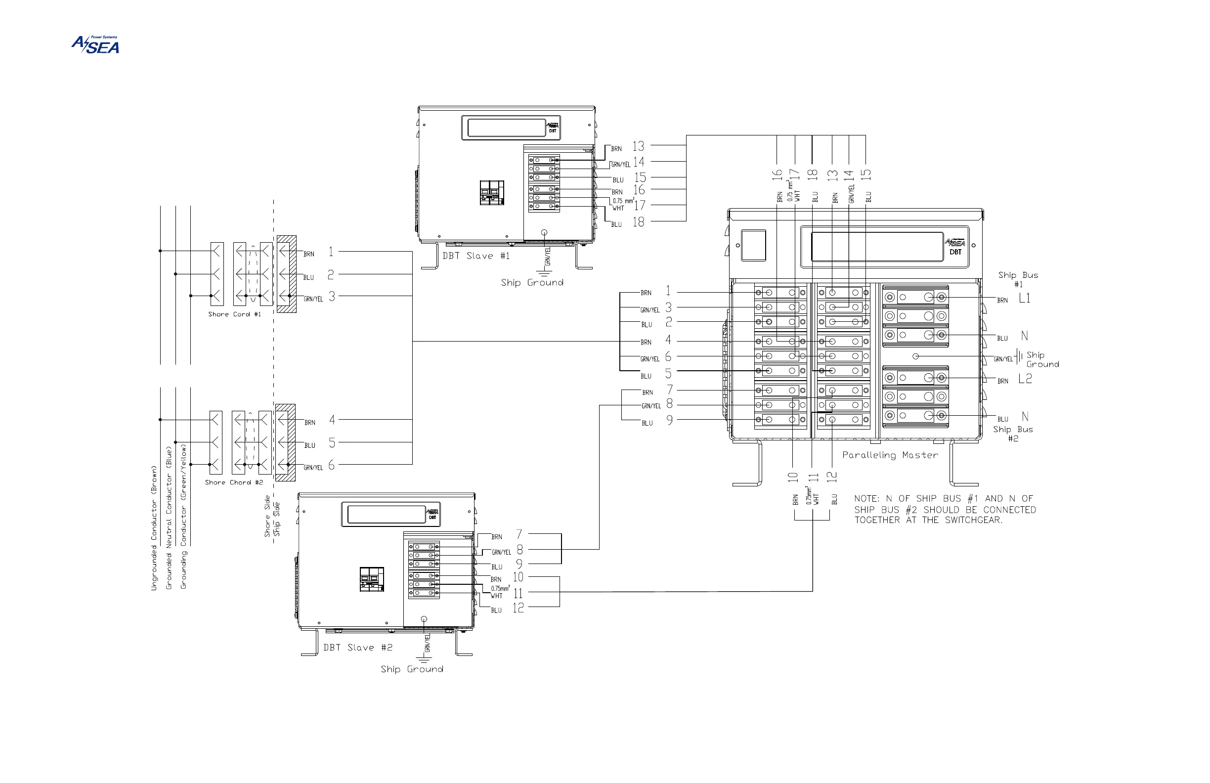
Figure 18: Trident System Power Connection Diagram for Single-Phase Installations

Table of Contents