EasyManua.ls Logo

Astoria 2GR - Page 63

Astoria 2GR
106 pages
Print Icon
To Next Page IconTo Next Page
To Next Page IconTo Next Page
To Previous Page IconTo Previous Page
To Previous Page IconTo Previous Page
Loading...
TECHNICIANS' manual
65 of 108
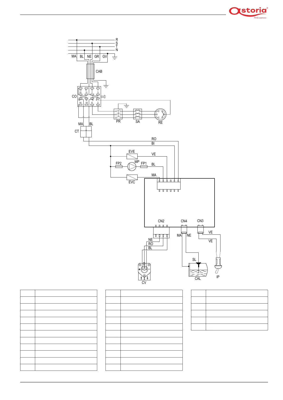
13.5.2 Wiring diagram code 18371010 - 18371011 *JUNIOR*
CV
IP
CN4
CN3
CN2
CT
PR
SA
CO
RE
R
S
T
N
MA
BL
NE
GR
GV
CAB
MA
BL
RO
BI
VE
BL
MA
EVE
MP
EVC
MA
NE
VE
VE
NE
RO
BL
SL
CAL
13
9
5
1
3
7
11
15
16
12
8
4
2
6
10
14
FP1
FP2
O
BI
White
BL
Blue
CAB
Power cable
CAL
Heating unit
CM
Membrane connection
CN1
Power supply and services outputs
CN2
Dosing device output
CN3
Programming switch
CN4
Heating unit level
CO
Power switch
CT
Power supply connector
CV
Volumetric counter
RE
Heating element
RO
Red
SA
Safety heating element
SL
Heating unit level probe
TR
Transformer
VE
Green
(
*
) Fuses for UL versions where a plug with
a capacity greater than 30 A is installed
EVC
Heating unit lling solenoid valve
EVE
Dispensing solenoid valve
FP1(*)
UL (OPD) Motor pump fuse
FP2(*)
UL (OPD) Fuse for 230 V
GR
Grey
GV
Yellow-green
IP
Programming switch
LA
Indicator light
MA
Brown
MP
Motor pump
NE
Black
PR
Pressure switch

Table of Contents

Other manuals for Astoria 2GR

Related product manuals