EasyManua.ls Logo

AUTOLIFT BB 1350 - Wiring Diagram

Default Icon
32 pages
Print Icon
To Next Page IconTo Next Page
To Next Page IconTo Next Page
To Previous Page IconTo Previous Page
To Previous Page IconTo Previous Page
Loading...
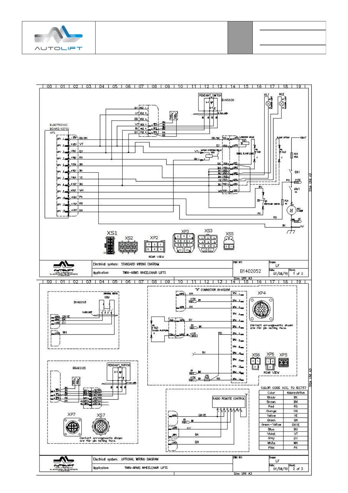
WIRING DIAGRAM
12
Lift
DEVICE
BB SKY BBW
MODEL
29

Related product manuals