EasyManua.ls Logo

Avery Berkel A301CE - Page 156

Avery Berkel A301CE
168 pages
Print Icon
To Next Page IconTo Next Page
To Next Page IconTo Next Page
To Previous Page IconTo Previous Page
To Previous Page IconTo Previous Page
Loading...
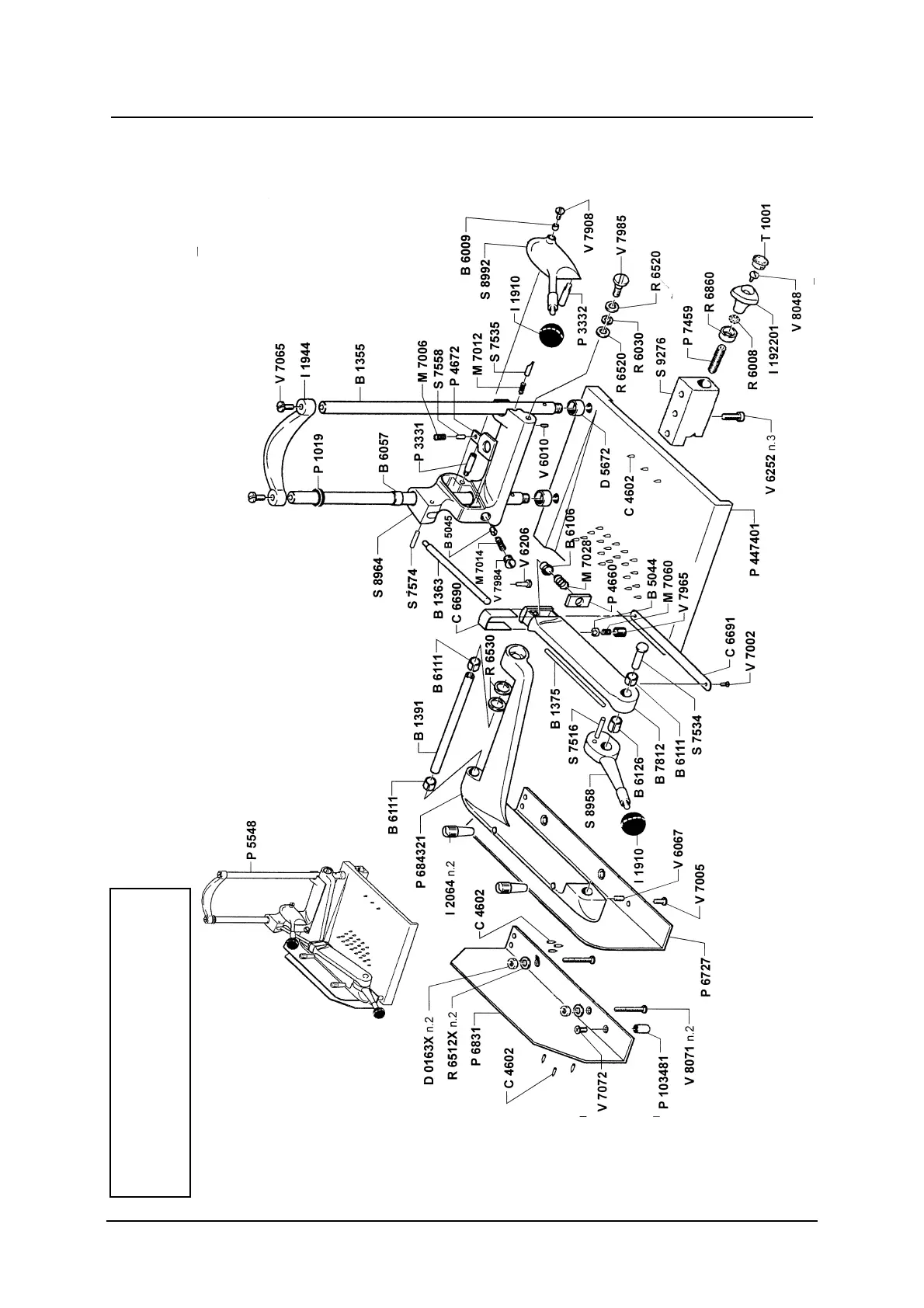
7 — Appendices
7 - 82 Service Instructions RP-A301CE/RP-A351CE/RP-A355CE
To order a part in RED suffix a part
number with /RED i.e. I2040/RED
Top clamp assembly