EasyManua.ls Logo

Avigilon SDC - Page 25

Avigilon SDC
29 pages
Print Icon
To Next Page IconTo Next Page
To Next Page IconTo Next Page
To Previous Page IconTo Previous Page
To Previous Page IconTo Previous Page
Loading...
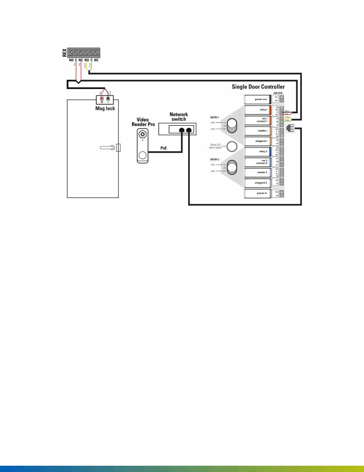
Example: Remote REX on Single Door Controller with Video Reader Pro or Video Intercom Reader Pro
To further improve reliability, Avigilon Alta will be implementing changes that will engage the remote relay for
the entry when the REX is triggered even if the associated video device is unavailable. The controller for this
relay should have a battery backup or be wired in a fail-safe configuration for maximum reliability.
Note that in Alta Control Center reporting, a REX event on Video Reader Pro and Video Intercom Reader Pro
entries will appear twice due to these changes. This duplicate can be safely ignored.
Appendix: Best practices - Wiring a REX to your Avigilon Alta access control system 25