EasyManua.ls Logo

Bacharach 300 - Wiring Diagram

Bacharach 300
87 pages
Print Icon
To Next Page IconTo Next Page
To Next Page IconTo Next Page
To Previous Page IconTo Previous Page
To Previous Page IconTo Previous Page
Loading...
MODEL 300 COMBUSTION ANALYZER
6-4 Instruction 24-9223
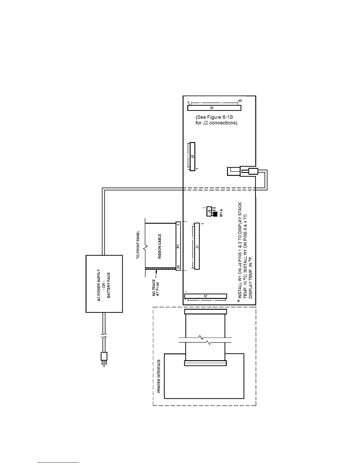
6.3 WIRING DIAGRAM
Figure 6-1A shows the wiring diagram of the Model 300 Combustion
Analyzer. This diagram will be useful to an experienced technician when
servicing the analyzer.
Figure 6-1A. Wiring Diagram

Table of Contents

Related product manuals