EasyManua.ls Logo

Barco EC-200 - Process Overview

Barco EC-200
538 pages
Print Icon
To Next Page IconTo Next Page
To Next Page IconTo Next Page
To Previous Page IconTo Previous Page
To Previous Page IconTo Previous Page
Loading...
14. S3 Maintenance
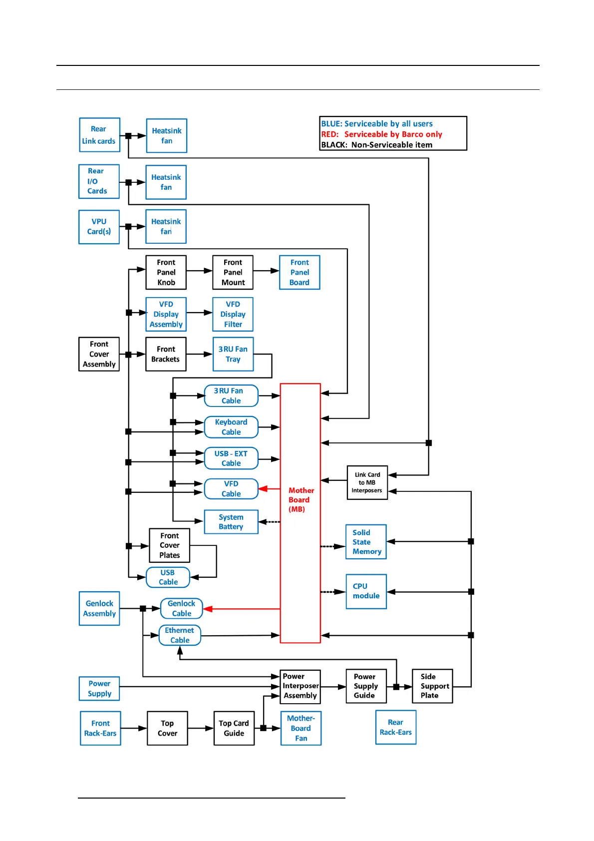
14.2 Process Overview
Flow chart
Image 14-2
418 R5905948 EVENT MASTER DEVICES 17/07/2017

Table of Contents

Other manuals for Barco EC-200

Related product manuals