EasyManua.ls Logo

BCM RX67Q - Mainboard Layout

BCM RX67Q
88 pages
Print Icon
To Next Page IconTo Next Page
To Next Page IconTo Next Page
To Previous Page IconTo Previous Page
To Previous Page IconTo Previous Page
Loading...
18
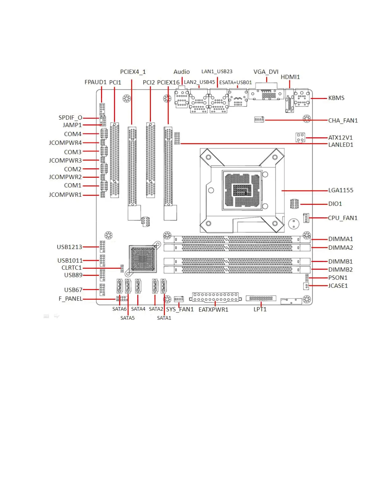
1.5.4 Mainboard Layout

Table of Contents

Related product manuals