EasyManua.ls Logo

Beckhoff AX5000 Series - VDC - Supply Network Connection (X03)

Beckhoff AX5000 Series
40 pages
Print Icon
To Next Page IconTo Next Page
To Next Page IconTo Next Page
To Previous Page IconTo Previous Page
To Previous Page IconTo Previous Page
Loading...
BECKHOFF Drive Technology 5 Installation
AX5000 Version 2.5 35
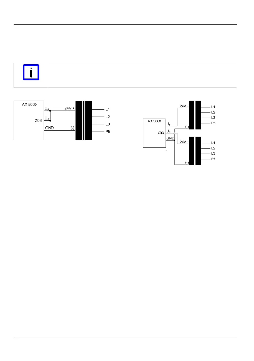
5.2.2 24 V
DC
- supply network connection (X03)
The 24 V
DC
connection "X03" is used for supplying control electronics and periphery with
DC voltage. The control electronics and the periphery can be supplied separately with two
different voltage sources.
Note
If one transformer is used for the 24 V
DC
power supply, the connections U
S
and U
P
must be bridged, in order to ensure that both the control electronics
and the periphery are supplied.
Supply through via one transformer Supply via two transformers

Table of Contents

Other manuals for Beckhoff AX5000 Series

Related product manuals