EasyManua.ls Logo

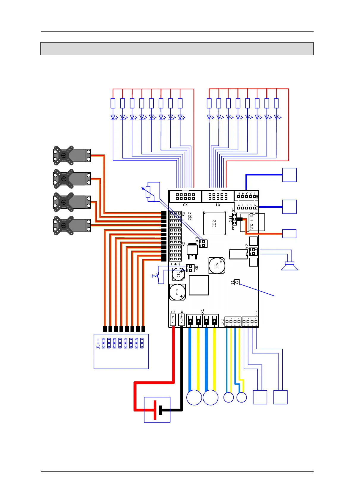
BEIER-Electronic SFR-1-D - Wiring diagram

BEIER-Electronic SFR-1-D
110 pages
Print Icon
To Next Page IconTo Next Page
To Next Page IconTo Next Page
To Previous Page IconTo Previous Page
To Previous Page IconTo Previous Page
Loading...
GB Double Sound Speed Controller SFR-1-D
01.03.2020 BEIER-Electronic 9
-
+
RC receiver
Loudspeaker
4 - 8 Ohm
Servo
Servo
Servo
1
Servo
2
Servo
3
Power off
(optional)
Data cable
K-USB-2
Volume
100k
Battery
6 - 18 V
+
-
Outputs
minus switching
Button for setup
M1
Main drive
e.g. track left
M2
Main drive
e.g. track right
M3
M4
Servo
4
Servo
Servo
Prop #1 (Throttle)
Prop #2 (Steering)
Prop #3 (M3)
Prop #4 (M4)
Prop #5
Prop #6
Prop #7
Prop #8 (S-BUS, SUMD, i-BUS, BTC-1)
Auxiliary drive
e.g. gun lift
Auxiliary drive
e.g. turret turn
+
-
BB Gun
+
-
Smoke generator
Xenon flash /
Canon shot
IR
Battle-Unit
M1-
M1+
M2-
M2+
M3-
M3+
M4-
M4+
brown
red
orange
yellow
green
blue
purple
grey
white / black
brown
red
orange
yellow
green
blue
purple
grey
white / black
Output 9
Output 10
Output 11
Output 12
Output 13
Output 14
Output 15
Output 16
Output 1
Output 2
Output 3
Output 4
Output 5
Output 6
Output 7
Output 8
Wiring diagram