EasyManua.ls Logo

Beijer Electronics E3 - 4 Power Wiring; Connection Diagram; Protective Earth (PE) Connection

Beijer Electronics E3
32 pages
Print Icon
To Next Page IconTo Next Page
To Next Page IconTo Next Page
To Previous Page IconTo Previous Page
To Previous Page IconTo Previous Page
Loading...
11
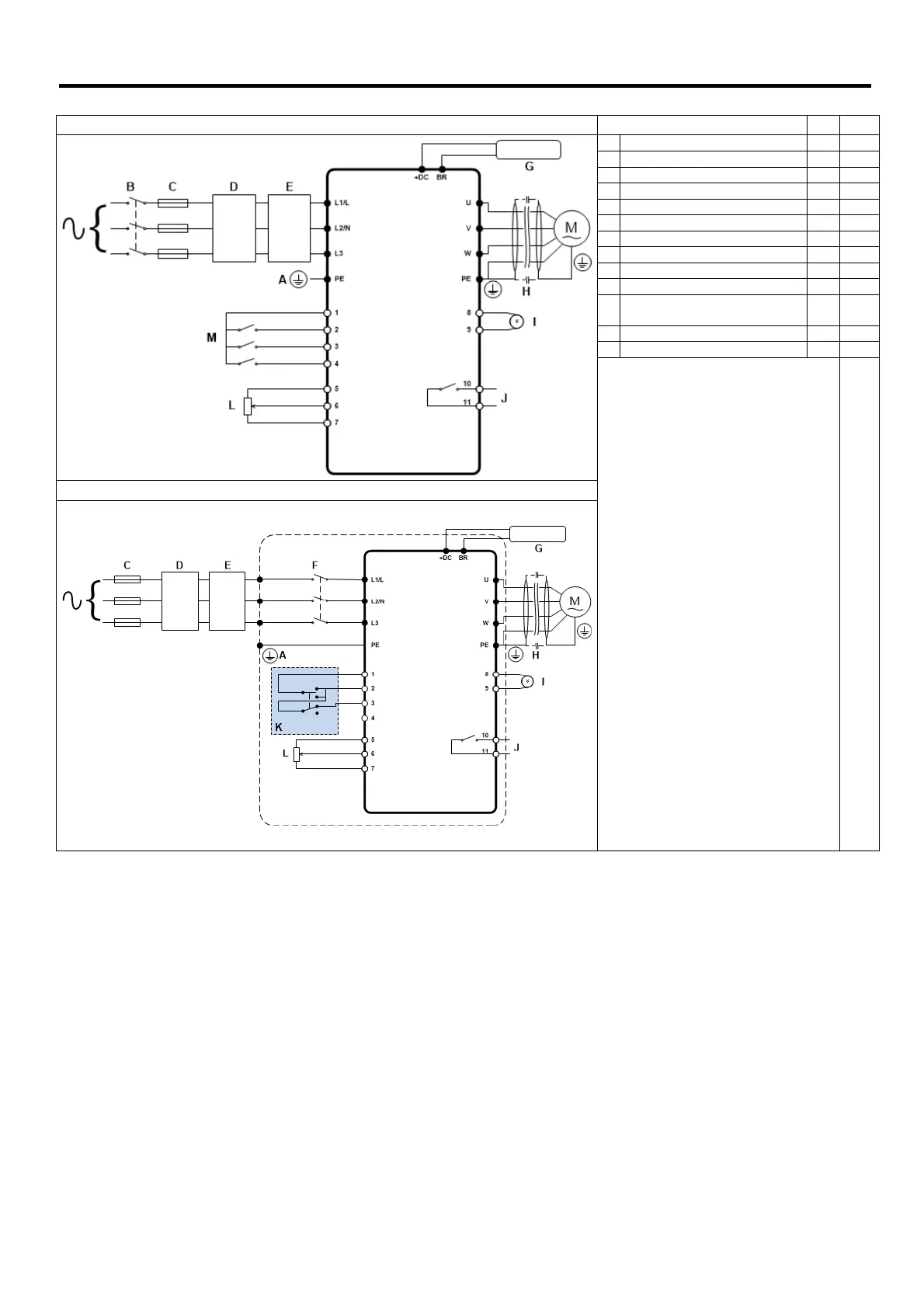
4. Power Wiring
4.1. Connection Diagram
4.1.1. IP20 & IP66 (Nema 4X) Non- Switched Units
Key
Sec.
Page
A
Protective Earth (PE) Connection
4.2
11
B
In
c
oming
Power Connection
4.3
12
C
Fuse / Circuit Breaker Selection
4.3.2
12
D
Optional Input Choke
4.3.3
12
E
EMC Compliant Installation
4.10
14
F
In
c
oming
Power Connection
4.3
12
G
Optional Brake Resistor
4.11
14
H
I
Analog Output
4.8.1
14
J
Relay Output
4.8.2
14
K
Using the REV/0/FWD Selector
Switch (Switched Version Only)
4.7
13
L
Analog Inputs
4.8.3
14
M
Digital Inputs
4.8.4
14
4.1.2. IP66 (Nema 4X) Switched Units
4.2. Protective Earth (PE) Connection
Grounding Guidelines
The ground terminal of each drive should be individually connected DIRECTLY to the site ground bus bar (through the filter if installed). Drive
ground connections should not loop from one drive to another, or to, or from any other equipment. Ground loop impedance must confirm to
local industrial safety regulations. To meet UL regulations, UL approved ring crimp terminals should be used for all ground wiring connections.
The drive Safety Ground must be connected to system ground. Ground impedance must conform to the requirements of national and local
industrial safety regulations and/or electrical codes. The integrity of all ground connections should be checked periodically.
Protective Earth Conductor
The Cross sectional area of the PE Conductor must be at least equal to that of the incoming supply conductor.
Safety Ground
This is the safety ground for the drive that is required by code. One of these points must be connected to adjacent building steel (girder, joist),
a floor ground rod, or bus bar. Grounding points must comply with national and local industrial safety regulations and/or electrical codes.
Motor Ground
The motor ground must be connected to one of the ground terminals on the drive.
Ground Fault Monitoring
As with all inverters, a leakage current to earth can exist. The drive is designed to produce the minimum possible leakage current whilst
complying with worldwide standards. The level of current is affected by motor cable length and type, the effective switching frequency, the
earth connections used and the type of RFI filter installed. If an ELCB (Earth Leakage Circuit Breaker) is used, the following conditions apply: -
A Type B Device must be used
The device must be suitable for protecting equipment with a DC component in the leakage current
Individual ELCBs should be used for each drive

Table of Contents

Related product manuals