EasyManua.ls Logo

Bentone B 2 KA - Oil Burner Control System; Wiring Diagram and Components

Bentone B 2 KA
44 pages
Print Icon
To Next Page IconTo Next Page
To Next Page IconTo Next Page
To Previous Page IconTo Previous Page
To Previous Page IconTo Previous Page
Loading...
35 Bentone
165 205 71
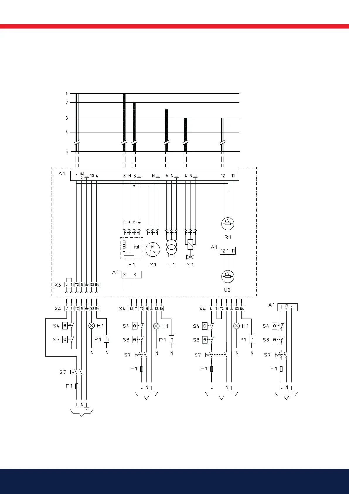
9. Oil burner control
9.1 Wiring diagram
Alt. 1
Enl DIN 4791
Alt 2 Alt 3 Alt 4

Related product manuals