EasyManua.ls Logo

Bentone B40 MF - B45-2 MF Wiring Diagram LMO24.255

Bentone B40 MF
56 pages
Print Icon
To Next Page IconTo Next Page
To Next Page IconTo Next Page
To Previous Page IconTo Previous Page
To Previous Page IconTo Previous Page
Loading...
47
Bentone B40 MF/B45-2 MF
For installers
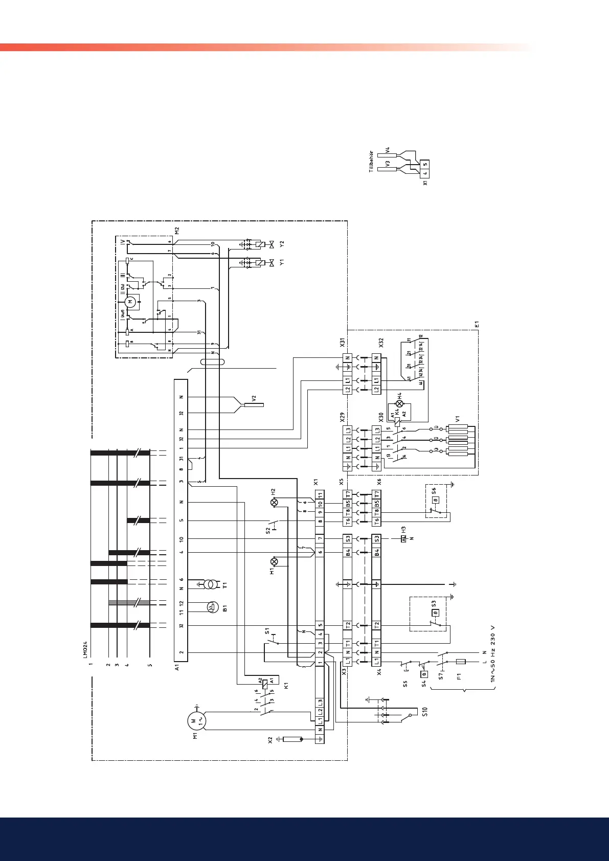
8.2 B45-2 MF wiring diagram LMO24.255...

Table of Contents

Related product manuals