EasyManua.ls Logo

Blackmagicdesign Mini Converter - Mini Converter SDI Distribution 4 K

Blackmagicdesign Mini Converter
70 pages
Print Icon
To Next Page IconTo Next Page
To Next Page IconTo Next Page
To Previous Page IconTo Previous Page
To Previous Page IconTo Previous Page
Loading...
Mini Converter SDI Distribution 4K
44
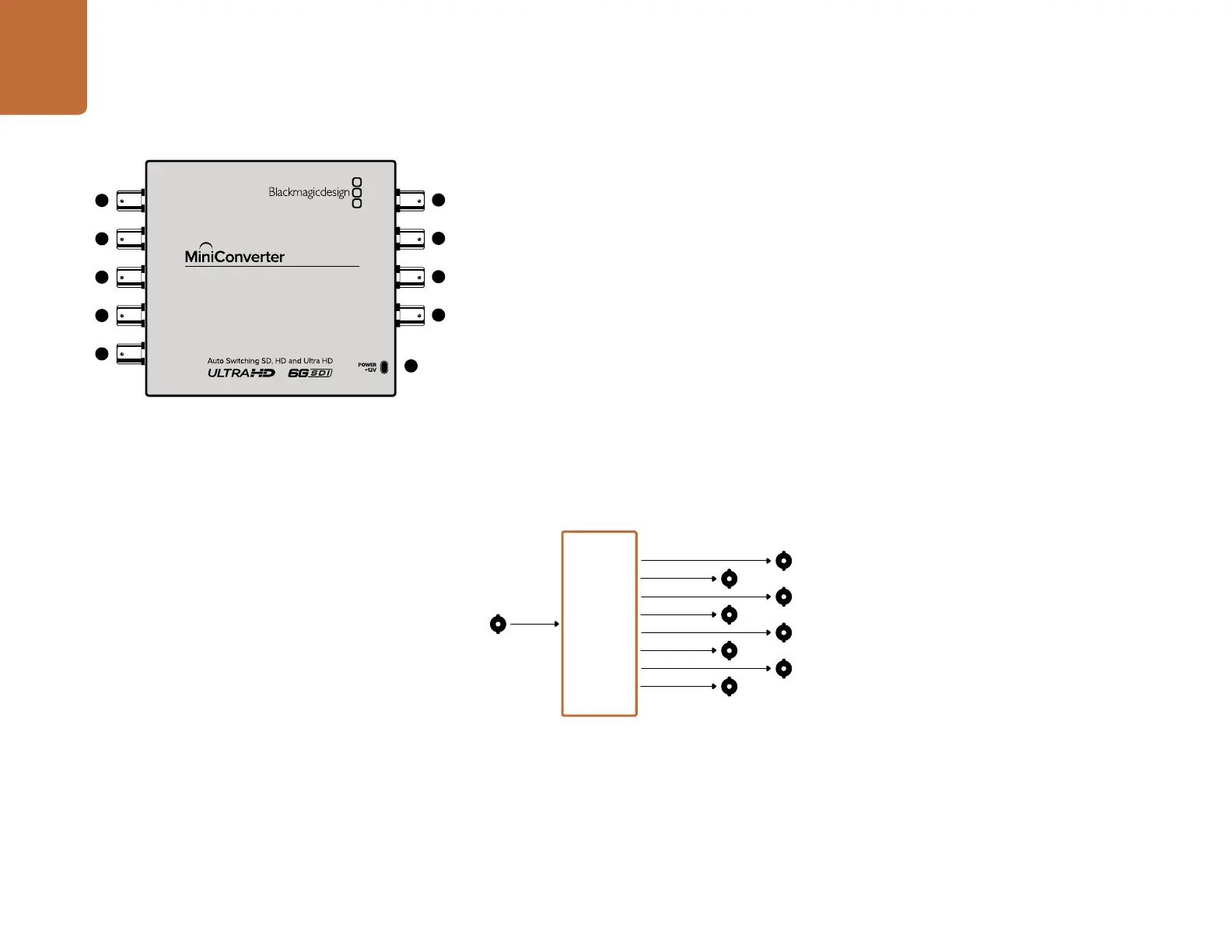
Blackmagic Mini Converter SDI Distribution 4K
Output your SDI signal to eight SDI devices simultaneously, such as decks, monitor walls and switchers.
Whenever the video input changes between SD/HD/3G/6G-SDI video formats, Mini Converter SDI
Distribution 4K automatically switches the 8 re-clocked outputs to match, with support for ASI, ancillary
data and embedded audio formats.
Connectors
1, 2, 3, 4, 5, 6, 7 AND 8. SDI OUT
SDI video outputs on BNC connectors.
9. SDI In
SDI input.
10. POWER +12V
12 volt power supply input.
Mini Converter SDI Distribution Block Diagram
SDI In
8 Output
Re-clocking
Distribution
Amplifier
SDI Out
SDI Out
SDI Out
SDI Out
SDI Out
SDI Out
SDI Out
SDI Out
SDI IN
SDI OUT
SDI OUT
SDI OUT
SDI OUT
SDI OUT
SDI OUT
SDI OUT
SDI OUT
SDI Distribution 4K
1
2
3
4
5
7
8
9
6
10
Mini Converter SDI Distribution 4K

Related product manuals