EasyManua.ls Logo

Bluetti EP760 - System Check and Power Operations; Preliminary System Checks

Bluetti EP760
80 pages
Print Icon
To Next Page IconTo Next Page
To Next Page IconTo Next Page
To Previous Page IconTo Previous Page
To Previous Page IconTo Previous Page
Loading...
JUST POWER ON64
7.1 Preliminary Check
Check the followings before first use.
Confirm that all components of the system are installed according to specific
requirements.
Make sure the PV+/PV- and BAT+/BAT- cables are connected with correct polarity
and proper voltage.
Switch off all AC and DC circuit breakers.
Circuit breakers should be selected according to the requirements of this manual
and local regulations.
Make sure grid and load cables are held firmly in place.
All safety signs and warning labels shall be firmly attached and clearly visible when
needed.
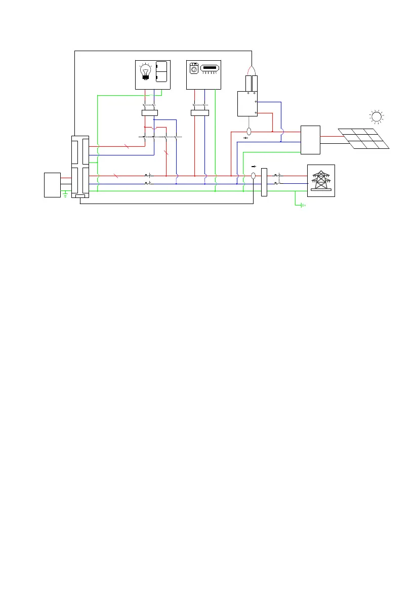
7. System Check
Meter
On_Grid Breaker
Transfer Switch
Main Breaker
QF
QF
B500
+
-
Backup Loads
PV Input
Backup
Grid
Bat Input
Inverter
CT-1
+
-
RCDRCD
EP760
RCD
CT
CT-1
Non-essential
Loads
COM
21 22
UN
UA
Solar
L
N
PE
N
L
PE
5
1
84
62
L
N
PE
L
N
PE
N
L
PE
RS485-A
RS485-B
L
N
PE
Figure 6-16 AC Coupling

Related product manuals