EasyManua.ls Logo

BMW E36 - Page 117

BMW E36
386 pages
Print Icon
To Next Page IconTo Next Page
To Next Page IconTo Next Page
To Previous Page IconTo Previous Page
To Previous Page IconTo Previous Page
Loading...
10 RT
BMW
04/99
1230.0Ć
1998
00
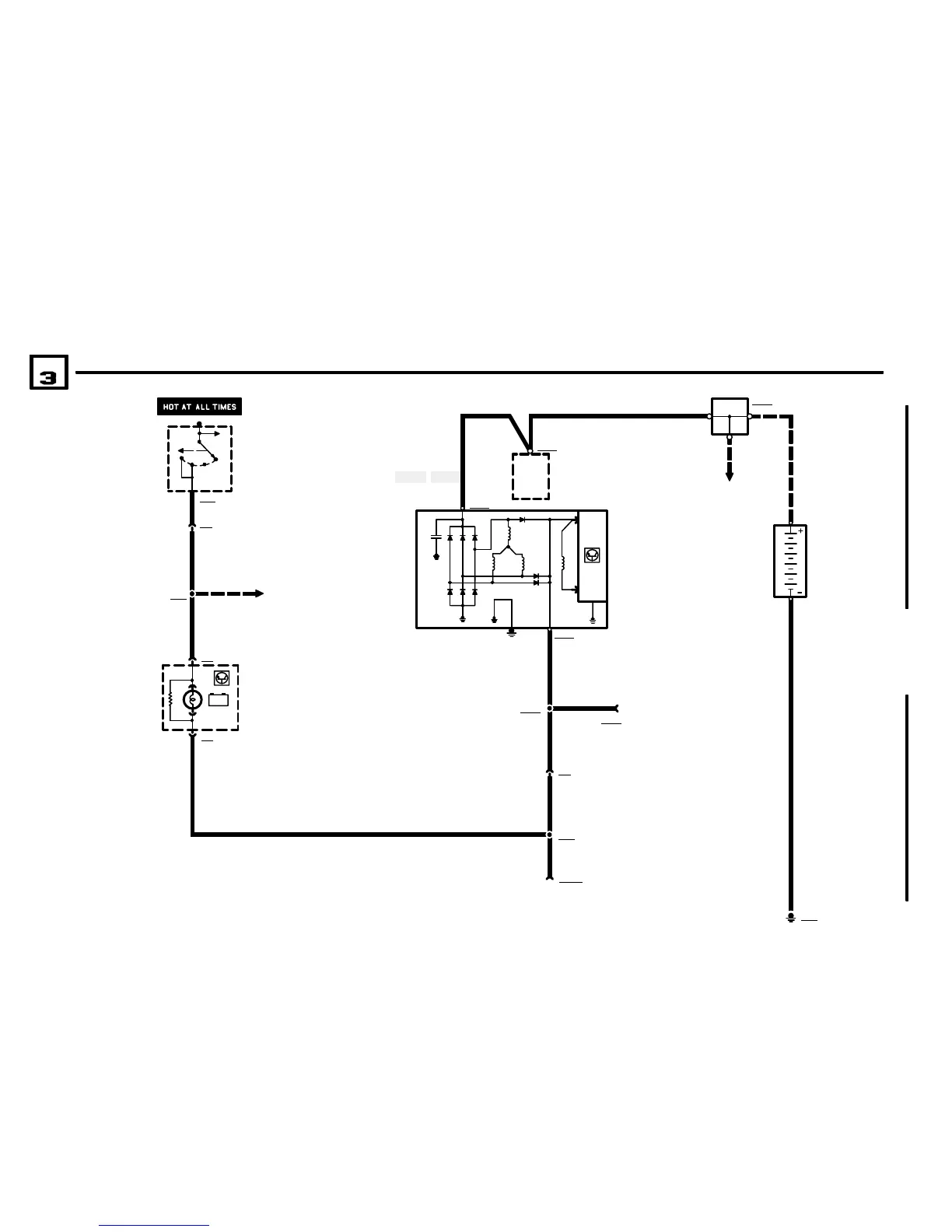
1230.0 CHARGING SYSTEM
1.5 BL
G6509
GENERATOR
31
31 31
B+
D+
A2w
INSTRUMENT
CLUSTER
X17
5
X176
S2
IGNITION SWITCH
0) OFF
1) ACCESSORY
2) RUN
3) START
X2091
7 X33
POWER
DISTRIBUTION
0670.2
X203
2.5 GN
2.5 GN
.5 GN
X8004
.75 BL
X6002
12 D100
DATA LINK
CONNECTOR
.5 BL
X133053
16 RT
X6509
X7509
2
1
0
3
15
.5 BL
X213
30h
G1
BATTERY
X497
G6430
X6512
POWER
DISTRIBUTION
0670.2
POWER
DISTRIBUTION
0670.2
25 RT
M6510
STARTER
BR
31
.35 BL
.5 BL
TELEPHONE
CONNECTOR
X2025
CENTER CONSOLE
318is
-+

Table of Contents

Related product manuals