EasyManua.ls Logo

BMW E36 - PARK VENTILATION WITH HR

BMW E36
386 pages
Print Icon
To Next Page IconTo Next Page
To Next Page IconTo Next Page
To Previous Page IconTo Previous Page
To Previous Page IconTo Previous Page
Loading...
BMW
04/99
6410.5Ć 00
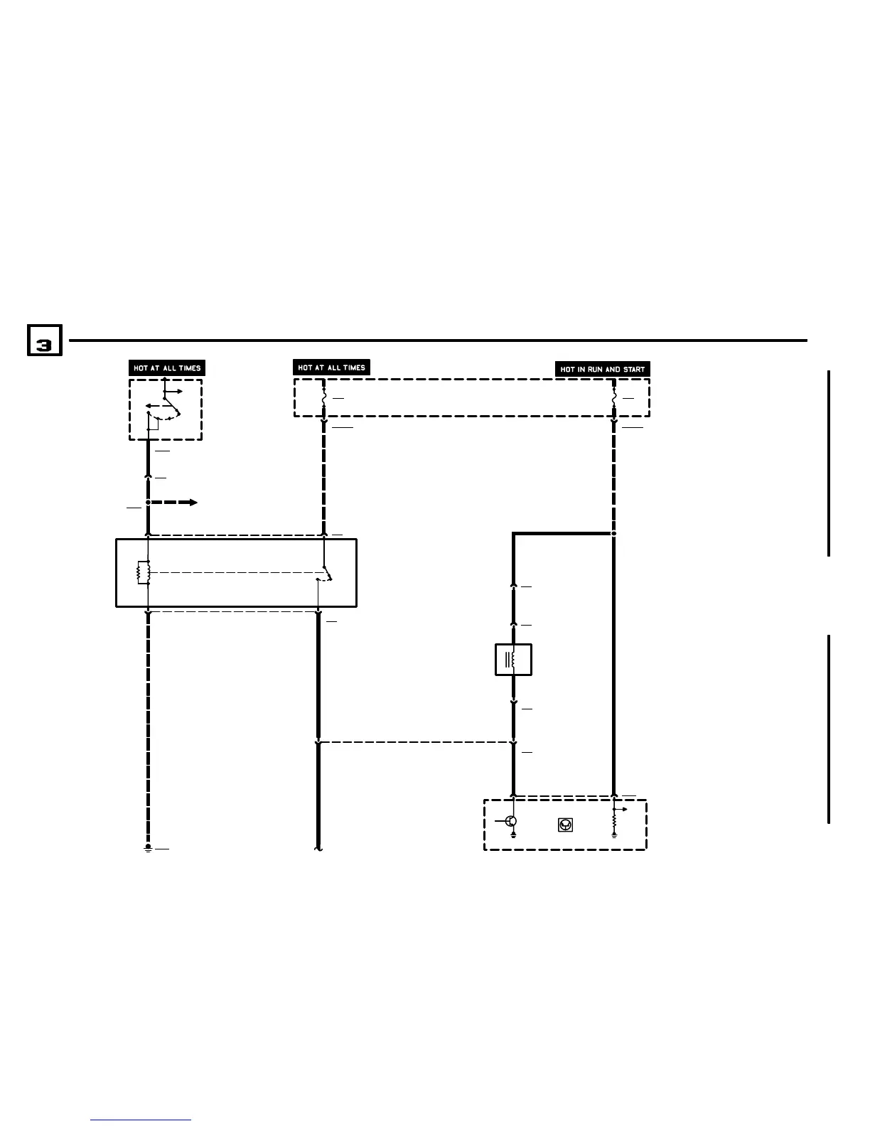
6410.5 HEATING CONTROL (HR)
P90
FRONT POWER
DISTRIBUTION BOX
S2
IGNITION SWITCH
0) OFF
1) ACCESSORY
2) RUN
3) START
7 X33
1 X209
2.5 GN
2.5 GN
X203
.35 GN
8
POWER
DISTRIBUTION
0670.2
6
30
87
85
4 X58
2
GROUND
DISTRIBUTION
0670.4
2.5 GN/BR
2
X10017
6
31
1 X85
X853
X353
3
.5 BR/OR
.5 GE/BR
Y4
WATER VALVE
ASSEMBLY
1
X899
A32y
THERMOSTAT
.5 GN/GE
FUSE DETAILS
0670.3
X58
K4
BLOWER RELAY
X173
2.5 GN/BR
X10016
20
FUSE DETAILS
0670.3
.5 GE
4 X35
.5 GN/GE
2
1
0
3
15
F20
30A
F23
5A
31
1998
86

Table of Contents

Related product manuals