EasyManua.ls Logo

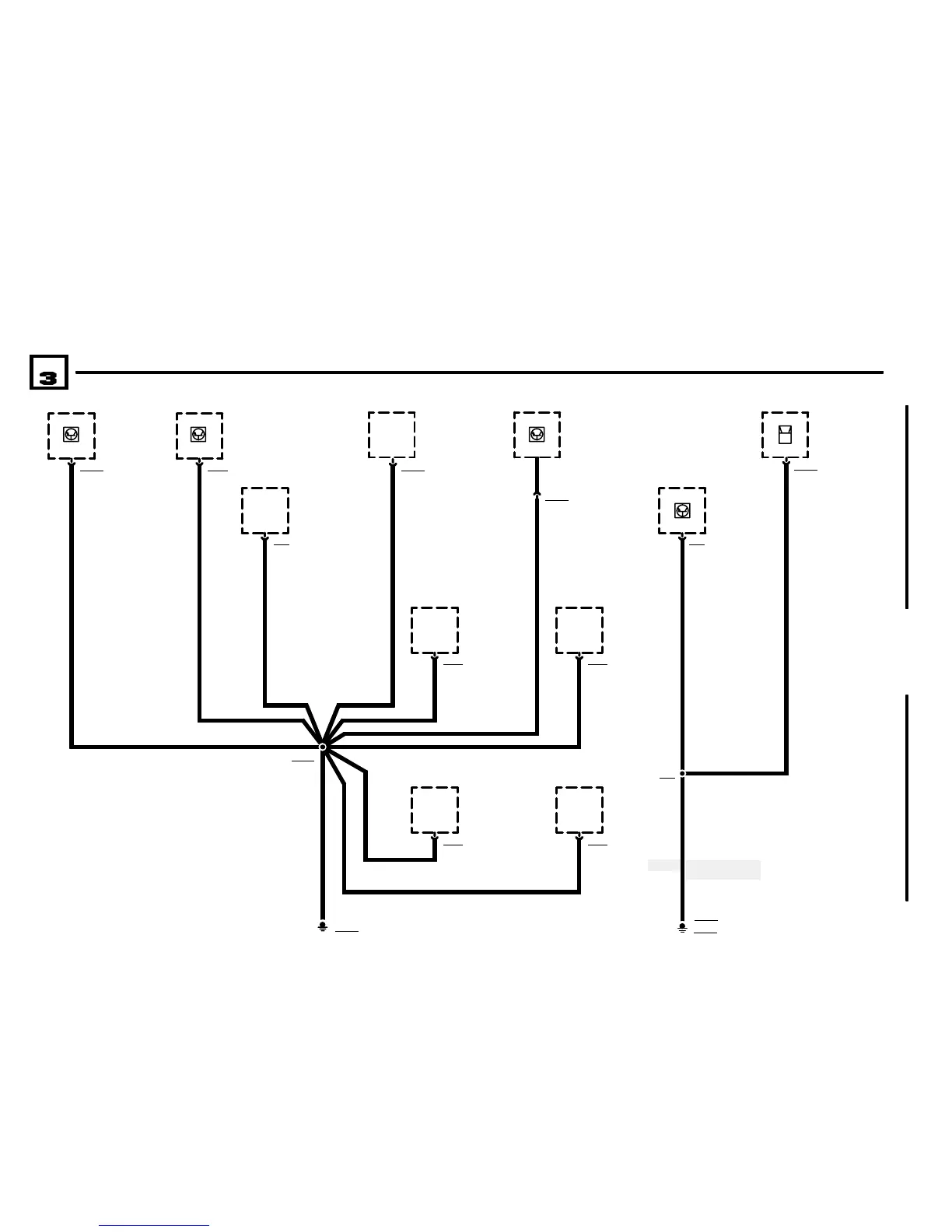
BMW E36 - GROUND DISTRIBUTION (X13009, X13016, AND X18723)

BMW E36
386 pages
Print Icon
To Next Page IconTo Next Page
To Next Page IconTo Next Page
To Previous Page IconTo Previous Page
To Previous Page IconTo Previous Page
Loading...
6SPEAKER
SYSTEM
1.5 BR
GROUND DISTRIBUTION
GROUNDS X13009, X13016, AND X18723
04/99
0670.4Ć
1998
20
1 BR/OR
X10759
A4
CHECK CONTROL
MODULE
.5 BR/OR
X13009
BMWBMWBMWBMW
X6053
A18
HIFI AMPLIFIER
X18126
15
N9
RADIO
2.5 BR
X13016
2.5 BR
X824
X13011
X130253
N12w
ANTITHEFT
CONTROL MODULE
(ALPINE)
.75 BR/OR
1.5 BR
X12401
S125
LEFT REAR DOOR
CONTACT
X12391
S124
RIGHT REAR DOOR
CONTACT
X102182
A113
SEAT OCCUPANCY
DETECTOR
.5 BR/OR .5 BR/OR.5 BR/OR
X7781
S58
DRIVERS SEAT
BELT SWITCH
X185181
S59
PASSENGERS
SEAT BELT SWITCH
.35 BR/OR .35 BR/OR
B78
DRIVERS SIDE
IMPACT SENSOR
X18851
B79
PASSENGERS
SIDE IMPACT
SENSOR
X18861
.35 BR/OR
.35 BR/OR
X18723
CONVERTIBLE

Table of Contents

Related product manuals