EasyManua.ls Logo

BMW E36 - Data Link Connector, Pin 19

BMW E36
386 pages
Print Icon
To Next Page IconTo Next Page
To Next Page IconTo Next Page
To Previous Page IconTo Previous Page
To Previous Page IconTo Previous Page
Loading...
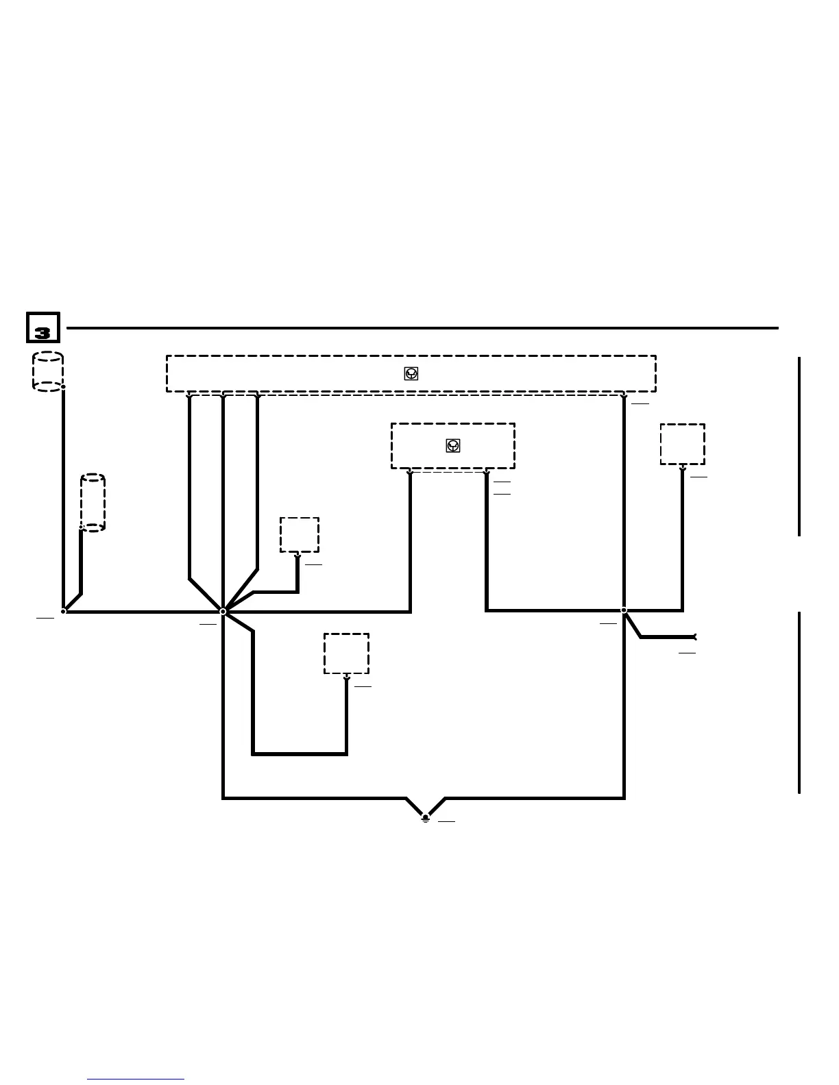
DATA LINK
BMW
BMWBMWBMW
DATA LINK CONNECTOR, PIN 19
04/99
0670.5Ć
1998
07
34 32 4 X600028
W6165
SHIELD UP TO
10mm BEFORE
IGNITION COIL
CONNECTOR
2.5 BR 2.5 BR2.5 BR
A6000
ENGINE CONTROL
MODULE (DME)
X6458
28 X7000
A7000
TRANSMISSION
CONTROL MODULE
(EGS)
A8500
TRANSMISSION
CONTROL MODULE
(EGS)
X6459
B6207
HOT FILM AIR
MASS METER
X62071
X6454
1.5 BR/OR
19
X6002
D100
DATA LINK
CONNECTOR
.5 BR
6 BR
1.5 BR
4 BR/OR
.5 BR/OR2.5 BR/OR
X6492
34
1.5 BR/OR
X8500
.5 BR
K6326
UNLOADER RELAY,
TERMINAL 15
X63264
323i, 328i, M3
W6203
CRANKSHAFT
POSITION/RPM
SENSOR SHIELD
K6304
SECONDARY AIR
PUMP RELAY
X63045
.35 BR

Table of Contents

Related product manuals