EasyManua.ls Logo

BMW E36 - Page 86

BMW E36
386 pages
Print Icon
To Next Page IconTo Next Page
To Next Page IconTo Next Page
To Previous Page IconTo Previous Page
To Previous Page IconTo Previous Page
Loading...
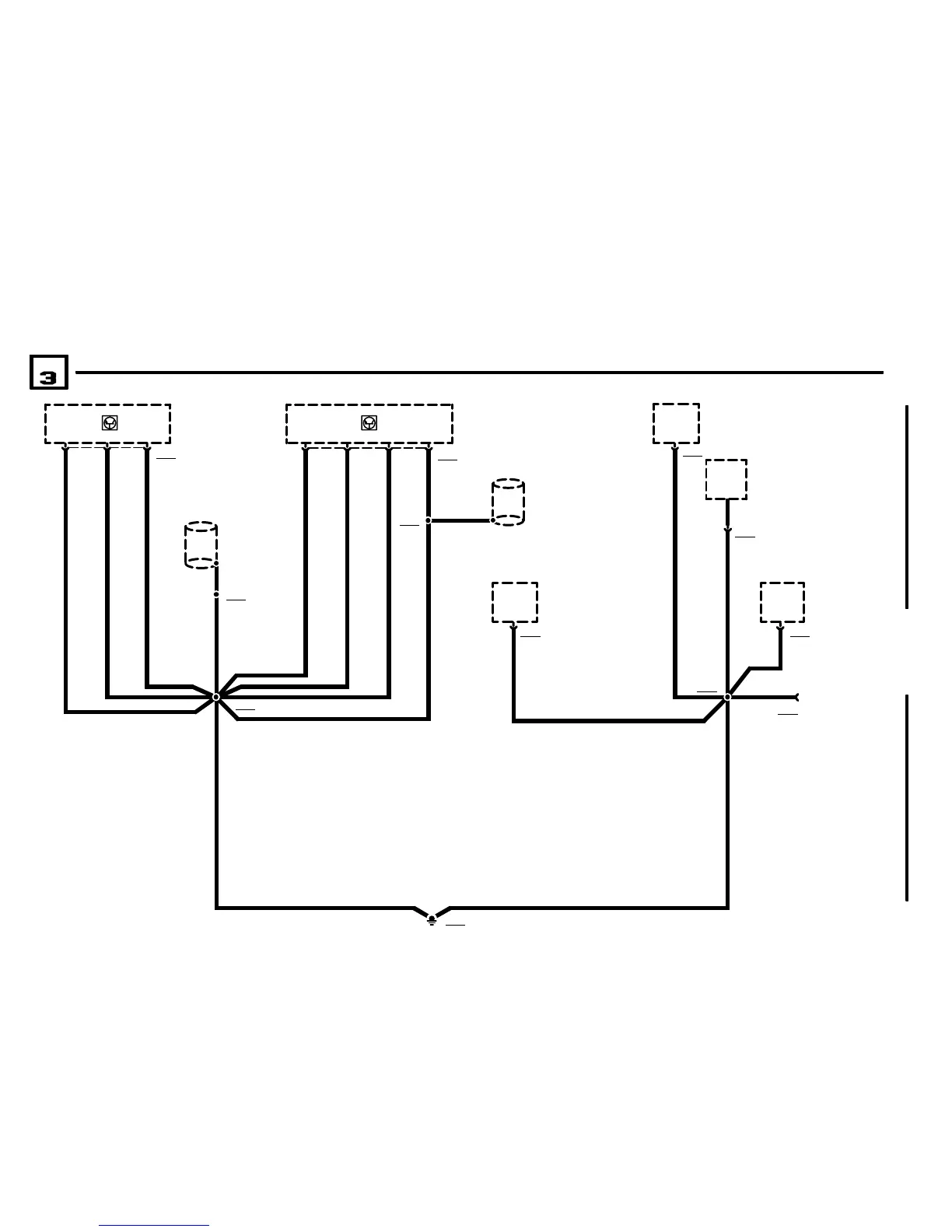
BMW
DATA LINK CONNECTOR, PIN 19
04/99
0670.5Ć
1998
08
DATA LINK
A8500
TRANSMISSION
CONTROL MODULE
(EGS)
X8500346
1.5 BR
W6165
SHIELD UP TO
10mm BEFORE
IGNITION COIL
CONNECTOR
28
1 BR
X6462
X6492
6 BR
X6002
19
X6454
B6209
HALL EFFECT CAM-
SHAFT SENSOR
A6000
ENGINE CONTROL
MODULE (DME)
X600034 28
2.5 BR
1.5 BR
6
2.5 BR
55
2.5 BR
X6463
4 BR
D100
DATA LINK
CONNECTOR
B6217
HOT FILM AIR
MASS METER
1.5 BR
W6203
CRANKSHAFT
POSITION/RPM
SENSOR SHIELD
X6460
1.5 BR1.5 BR
X62171
X6209
3
.5 BR
1.5 BR
.5 BR
K6326
UNLOADER RELAY,
TERMINAL 15
X63264
.5 BR
318is
K6304
SECONDARY AIR
PUMP RELAY
X63045
.35 BR

Table of Contents

Related product manuals