EasyManua.ls Logo

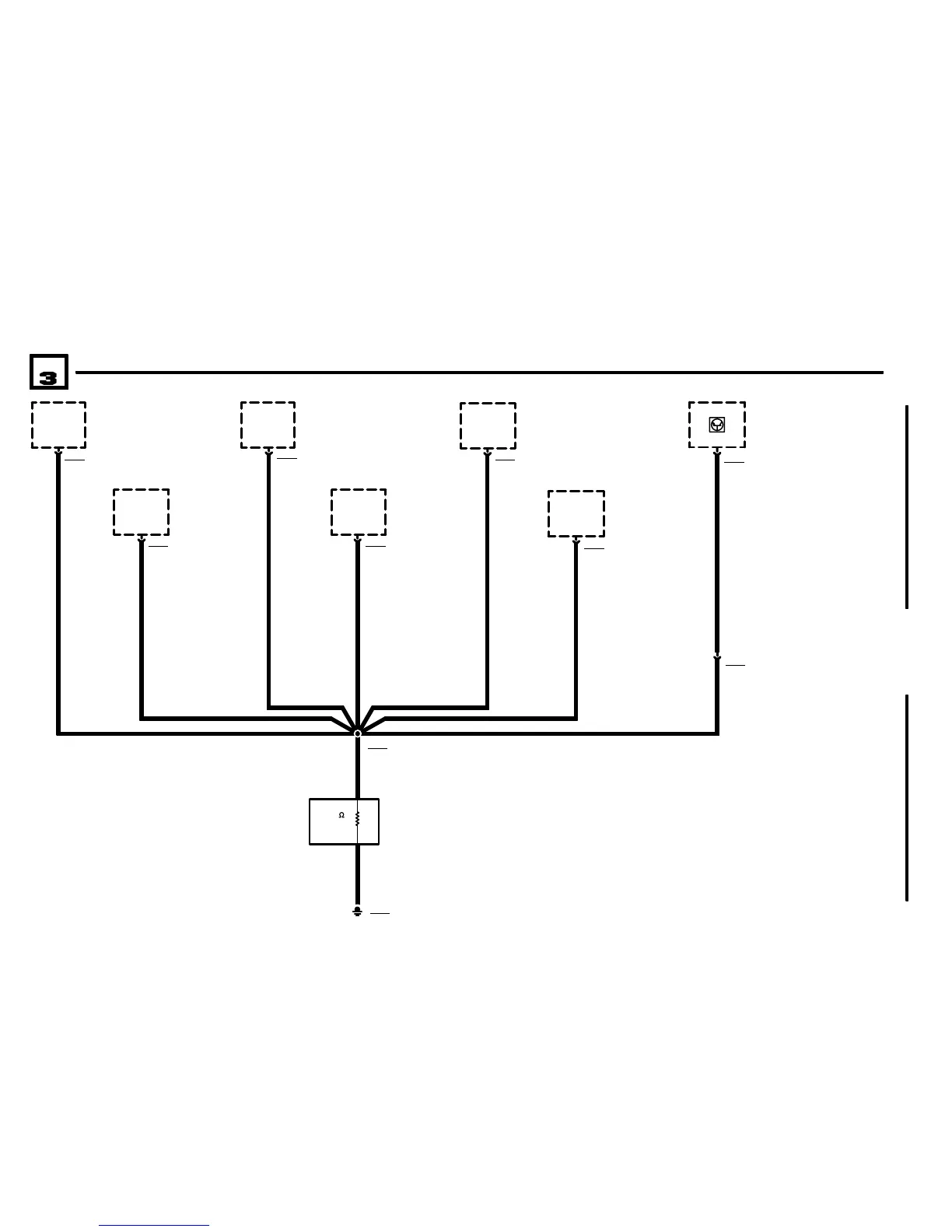
BMW E36 - GROUND DISTRIBUTION (X6456)

BMW E36
386 pages
Print Icon
To Next Page IconTo Next Page
To Next Page IconTo Next Page
To Previous Page IconTo Previous Page
To Previous Page IconTo Previous Page
Loading...
BMW
BMWBMWBMW
T6154
CYL. 4 IGNITION
COIL
X61522
GROUND DISTRIBUTION
GROUND X6456
04/99
0670.4Ć
1998
12
X61532
1 BR
T6152
CYL. 2 IGNITION
COIL
T6151
CYL. 1 IGNITION
COIL
X61562
T6156
CYL. 6 IGNITION
COIL
T6153
CYL. 3 IGNITION
COIL
2
T6155
CYL. 5 IGNITION
COIL
X6155
X6456
X61542
X6900
1 BR
1.5 BR
X6151
2
1 BR 1 BR 1 BR1 BR
A6000
ENGINE CONTROL
MODULE (DME)
56
240
R8554
RESISTOR
1.5 BR
2W
.5 BR
X6000
X61502
.5 BR
323i, 328i, M3

Table of Contents

Related product manuals