EasyManua.ls Logo

BMW E36 - 6312.0 Headlights;Fog Lights

BMW E36
386 pages
Print Icon
To Next Page IconTo Next Page
To Next Page IconTo Next Page
To Previous Page IconTo Previous Page
To Previous Page IconTo Previous Page
Loading...
BMW
04/99
6312.0Ć
1998
00
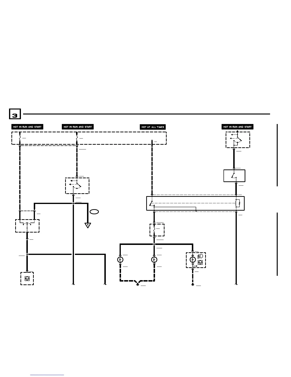
6312.0 HEADLIGHTS/FOG LIGHTS
4
S8
LIGHT SWITCH
0) OFF
1) PARK LIGHTS
ON
2) HEADLIGHTS
ON
P90
FRONT POWER
DISTRIBUTION BOX
0
2
1
F23
5A
F25
5A
X1001710
6
FUSE DETAILS
0670.3
FUSE DETAILS
0670.3
12
X503
.35 GE
.35 GE
X1029
.35 GE
897
5 X32
.5 WS
S7
COMBINATION
SWITCH
7) NORMAL
8) FLASH
9) HIGH BEAM
.35 WS
X503
8
2
4
1
X44
E26
LEFT FOG LIGHT
6
X44
8
K47
FRONT FOG LIGHT
RELAY
30
86
85
E27
RIGHT FOG LIGHT
A2w
INSTRUMENT
CLUSTER
GROUND
DISTRIBUTION
0670.4
POWER
DISTRIBUTION
0670.2
X768
1
P90
FRONT POWER
DISTRIBUTION BOX
F15
15A
X504
S10
FOG LIGHT
SWITCH
0) OFF
1) FRONT FOG
LIGHTS ON
.5 GE/VI
01
X504
1 RT/GE
X7682
X769
1
X769
X1001610
2
87b
X165
X173
GROUND
DISTRIBUTION
0670.4
GROUND
DISTRIBUTION
0670.4
X100169
X17
3
X17
.5 GE/GR
1 GE/BR 1 GE/BR .75 GE/BR
X2
.35 RT/WS
2
1 GE/BR
S8
LIGHT SWITCH
0) OFF
1) PARK LIGHTS
ON
2) HEADLIGHTS
ON
0
2
1
9 X503
5
87
X1152
NOT USED
.35 GE
6312.0-01
.35 WS
X1028
1 X16
.35 WS
A2w
INSTRUMENT
CLUSTER
7.5A *
4 X32
.5 GE.5 GN/GE
9
CDN
* WITH CCM

Table of Contents

Related product manuals