EasyManua.ls Logo

BMW E36 - INTERIOR LIGHTS

BMW E36
386 pages
Print Icon
To Next Page IconTo Next Page
To Next Page IconTo Next Page
To Previous Page IconTo Previous Page
To Previous Page IconTo Previous Page
Loading...
BMWBMWBMWBMW
WITHOUT REAR READING LIGHT
04/99
6330.3Ć
1998
00
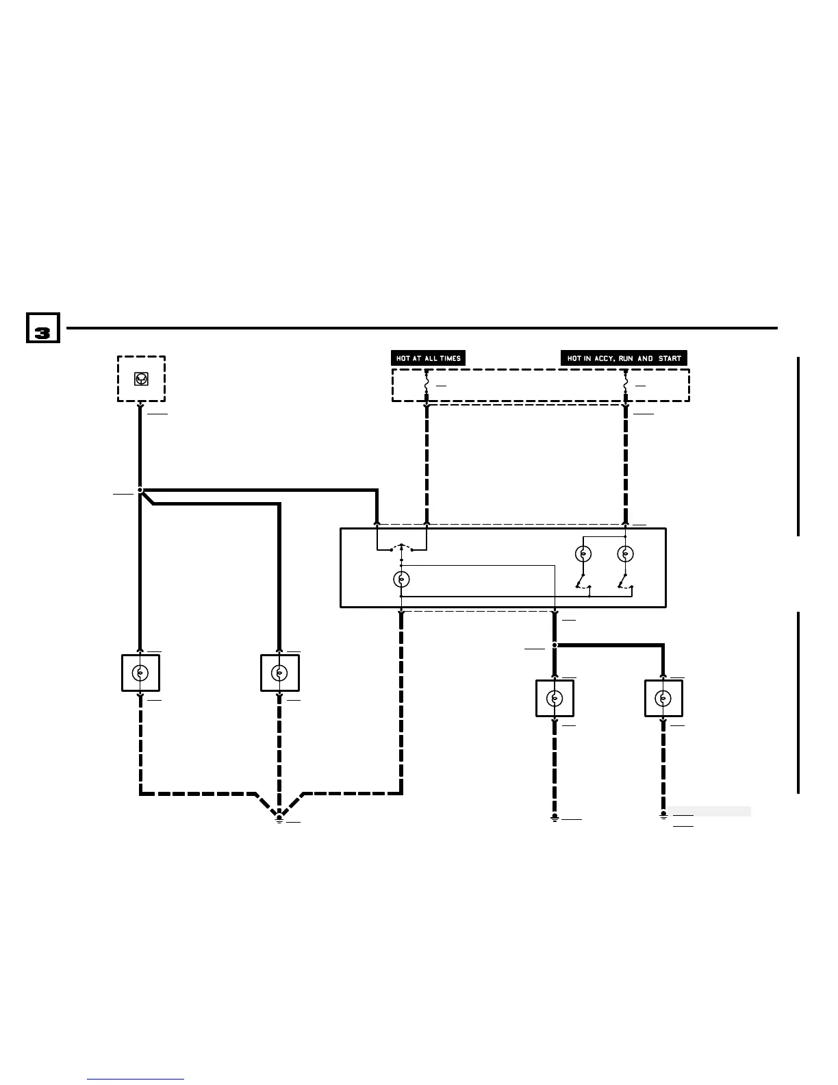
6330.3 INTERIOR LIGHTS
P90
FRONT POWER
DISTRIBUTION BOX
4
X1001826
FUSE DETAILS
0670.3
E61
LEFT FRONT
FOOTWELL LIGHT
X748
3
.5 RT/SW
32 1 X336
4 X3365
1 BR/RT
X13002
X7481
F43
5A
0
E39
LEFT REAR
INTERIOR LIGHT
X356
1
X356
2
E40
RIGHT REAR
INTERIOR LIGHT
X355
1
X355
2
X13006
GROUND
DISTRIBUTION
0670.4
GROUND
DISTRIBUTION
0670.4
.75 BR/RT .75 BR/RT
A104
BODY
ELECTRONICS
CONTROL MODULE
(ZKE IV)
6
FUSE DETAILS
0670.3
F33
10A
E62
RIGHT FRONT
FOOTWELL LIGHT
X745
3
X7451
.5 RT/SW
X10269
.75 RT/SW
GROUND
DISTRIBUTION
0670.4
GROUND
DISTRIBUTION
0670.4
.75 RT/SW
X13252
X495
X13006
GROUND
DISTRIBUTION
0670.4
X13004
TWODOOR
E34
FRONT DOME LIGHT/
MAP READING
ASSEMBLY
0) OFF
1) MANUAL
2) AUTOMATIC
3) INTERIOR LIGHT
4) READING LIGHT
5) ON
21
0
3
05
44
05

Table of Contents

Related product manuals