EasyManua.ls Logo

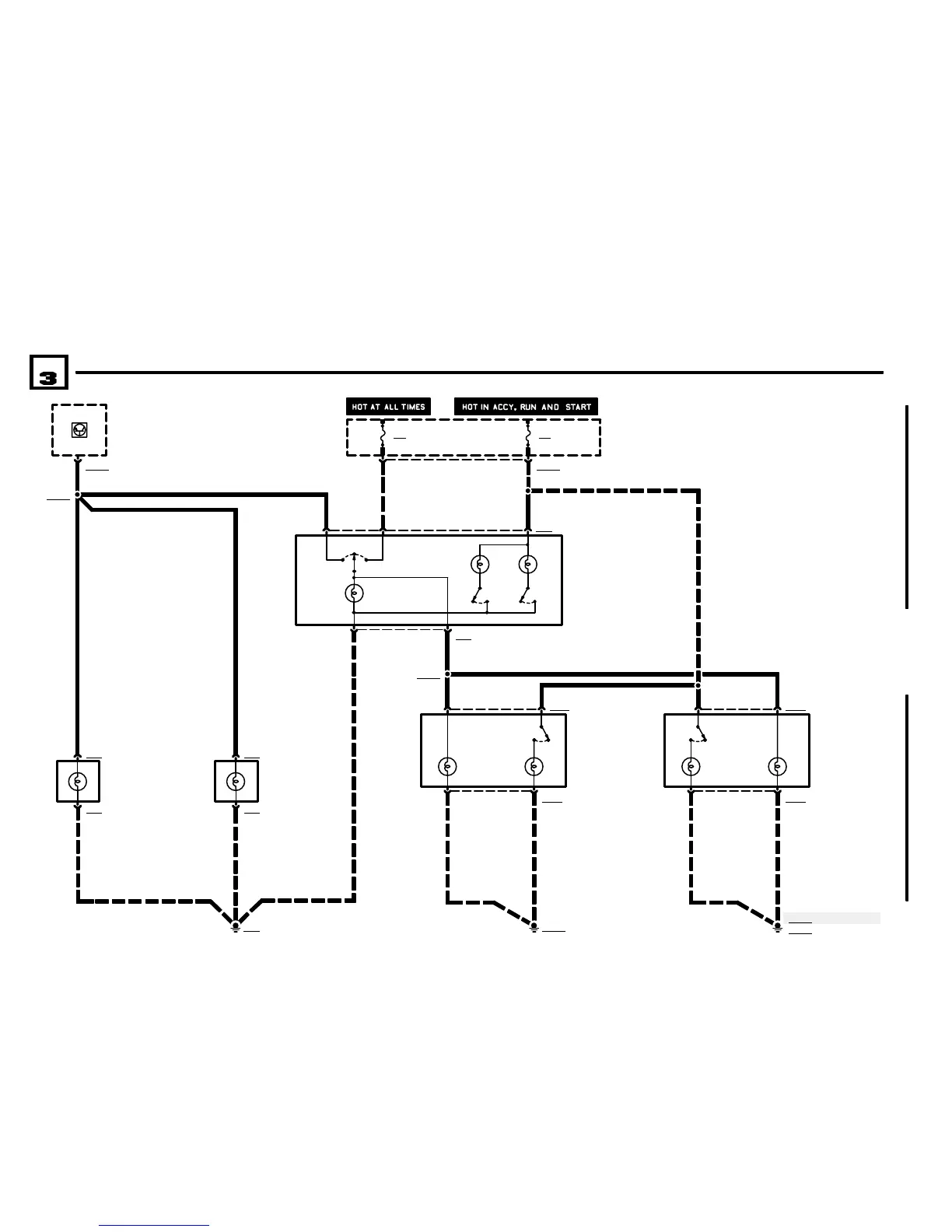
BMW E36 - INTERIOR LIGHTS WITH REAR READING LIGHT

BMW E36
386 pages
Print Icon
To Next Page IconTo Next Page
To Next Page IconTo Next Page
To Previous Page IconTo Previous Page
To Previous Page IconTo Previous Page
Loading...
BMWBMWBMWBMW
WITH REAR READING LIGHT
04/99
6330.3Ć
1998
01
INTERIOR LIGHTS
P90
FRONT POWER
DISTRIBUTION BOX
X1001826
3 2 1 X336
4 X3365
1 BR/RT
X13002
F43
5A
0
4
3
X47711
X47712
.5 BR/RT .5 VI/WS
6
FUSE DETAILS
0670.3
F33
10A
.75 RT/SW
GROUND
DISTRIBUTION
0670.4
GROUND
DISTRIBUTION
0670.4
1
2
X47704
X47703
.5 BR/RT.5 VI/WS
GROUND
DISTRIBUTION
0670.4
GROUND
DISTRIBUTION
0670.4
4
E61
LEFT FRONT
FOOTWELL LIGHT
X748
3
.5 RT/SW
X7481
X7453
X7451
.5 RT/SW
X10269
.75 RT/SW
GROUND
DISTRIBUTION
0670.4
GROUND
DISTRIBUTION
0670.4
X13252
E62
RIGHT FRONT
FOOTWELL LIGHT
X13006
X13004
X495
GROUND
DISTRIBUTION
0670.4
A104
BODY
ELECTRONICS
CONTROL MODULE
(ZKE IV)
.5 VI/WS
32 32
X13006 TWODOOR
E39
LEFT REAR
INTERIOR LIGHT
0) OFF
1) ON
2) INTERIOR
LIGHT
3) READING
LIGHT
E40
RIGHT REAR
INTERIOR LIGHT
0) OFF
1) ON
2) INTERIOR
LIGHT
3) READING
LIGHT
E34
FRONT DOME
LIGHT/MAP READ-
ING ASSEMBLY
0) OFF
1) MANUAL
2) AUTOMATIC
3) INTERIOR
LIGHT
4) READING
LIGHT
5) ON
0505
FUSE DETAILS
0670.3
21
0
3
44
10 10

Table of Contents

Related product manuals