EasyManua.ls Logo

BMW E36 - Page 244

BMW E36
386 pages
Print Icon
To Next Page IconTo Next Page
To Next Page IconTo Next Page
To Previous Page IconTo Previous Page
To Previous Page IconTo Previous Page
Loading...
BMWBMWBMWBMW
04/99
6330.3Ć
1998
02
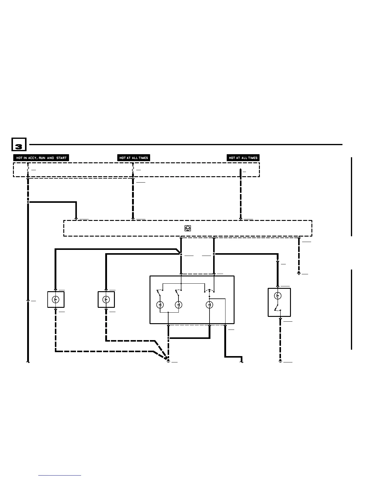
INTERIOR LIGHTS
P90
FRONT POWER
DISTRIBUTION BOX
F43
5A
26
X101824
FUSE DETAILS
0670.3
E42
GLOVE BOX LIGHT
1) GLOVE BOX
OPEN
2) GLOVE BOX
CLOSED
X18336
X183363
5
4
1 X336
4
2 X336
3
.75 RT/SW
4
12
0
0505
E34
FRONT DOME
LIGHT/MAP READ-
ING ASSEMBLY
0) OFF
1) MANUAL
2) AUTOMATIC
3) INTERIOR
LIGHT
4) READING
LIGHT
5) ON
X1321
.75 BR
GROUND
DISTRIBUTION
0670.4
X10189
1.5 VI/SW
11
F33
10A
6
FUSE DETAILS
0670.3
X1325212
POWER
DISTRIBUTION
0670.2
X10182
18
.75 VI/WS
A104
BODY
ELECTRONICS
CONTROL MODULE
(ZKE IV)
.75 VI/SW
.75 VI/WS
.5 VI/WS
.75 VI/WS
X10018
.75 BR
.75 VI/SW
3
12
X10012
1
.5 VI/SW
X1325
GROUND
DISTRIBUTION
0670.4
E61
LEFT FRONT
FOOTWELL LIGHT
X748
3
.5 RT/SW
X7481
X7453
X7451
.5 RT/SW
X10269
GROUND
DISTRIBUTION
0670.4
GROUND
DISTRIBUTION
0670.4
E62
RIGHT FRONT
FOOTWELL LIGHT
X495
X1325215
GROUND
DISTRIBUTION
0670.4
.75 RT/SW
X2
X495
CONVERTIBLE

Table of Contents

Related product manuals