EasyManua.ls Logo

BMW E36 - Temperature Control

BMW E36
386 pages
Print Icon
To Next Page IconTo Next Page
To Next Page IconTo Next Page
To Previous Page IconTo Previous Page
To Previous Page IconTo Previous Page
Loading...
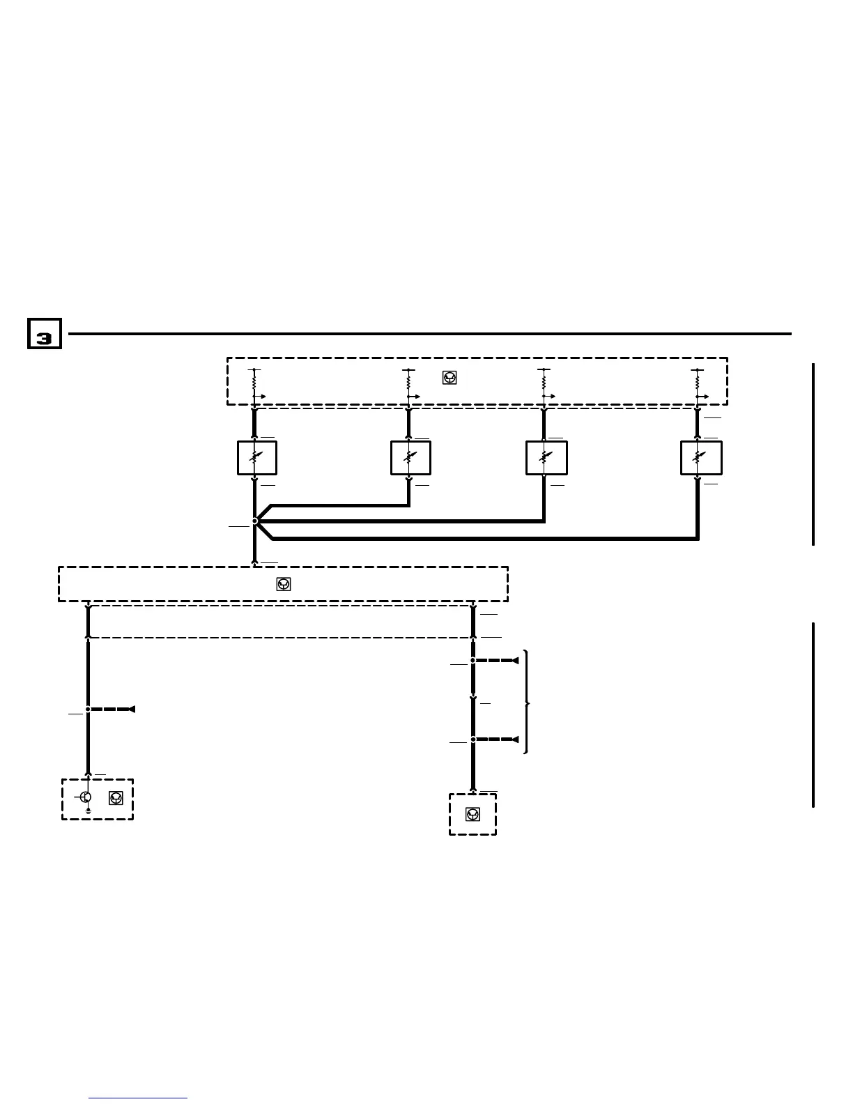
BMW
TEMPERATURE CONTROL
INTEGRATED CLIMATE REGULATION (IHKA E36)
04/99
6450.7Ć
1998
02
A115
AUTOMATIC
CLIMATE CONTROL
MODULE
X774
X7721
X772
2
B11
LH HEAT
EXCHANGER
TEMPERATURE
SENSOR
5V (15) 5V (15) 5V (15) 5V (15)
3 4 12
X7711
X771
2
B14
EVAPORATOR
TEMPERATURE
SENSOR
B13
OUTSIDE
TEMPERATURE
SENSOR
X7731
X773
2
B12
RH HEAT
EXCHANGER
TEMPERATURE
SENSOR
X18161
22
X774
.35 GE/RT .35 GE/BL .5 BL .35 GR
X1527
.35 BR/OR
.35 BR/OR
.35 BR/OR .35 BR/OR .35 BR/OR
X15276
X10054
11
A115
AUTOMATIC
CLIMATE CONTROL
MODULE
TD
X1047
.35 SW
.35 SW
.5 SW
X1527
BMW
ENGINE CONTROL
SYSTEM (DME M5.2,
4CYLINDER M44)
1210.20
A6000
ENGINE CONTROL
MODULE (DME)
X6000
80
.5 SW
.5 SW
X20
20
X8015
5
3
.35 SW/WS
.35 SW/WS
X188
INSTRUMENT
CLUSTER
6211.0
.5 SW/WS
2 X17
TACH
2
31
A2w
INSTRUMENT
CLUSTER
2) VEHICLE
SPEED
OUTPUT
TD
1
2
36
318is
ENGINE CONTROL
SYSTEM MS41.1
(6CYLINDER M52)
1210.17

Table of Contents

Related product manuals