EasyManua.ls Logo

BMW E36 - ZKE DOOR LOCK HEATING (TSH)

BMW E36
386 pages
Print Icon
To Next Page IconTo Next Page
To Next Page IconTo Next Page
To Previous Page IconTo Previous Page
To Previous Page IconTo Previous Page
Loading...
.75 BR/GE
X13252
BMW
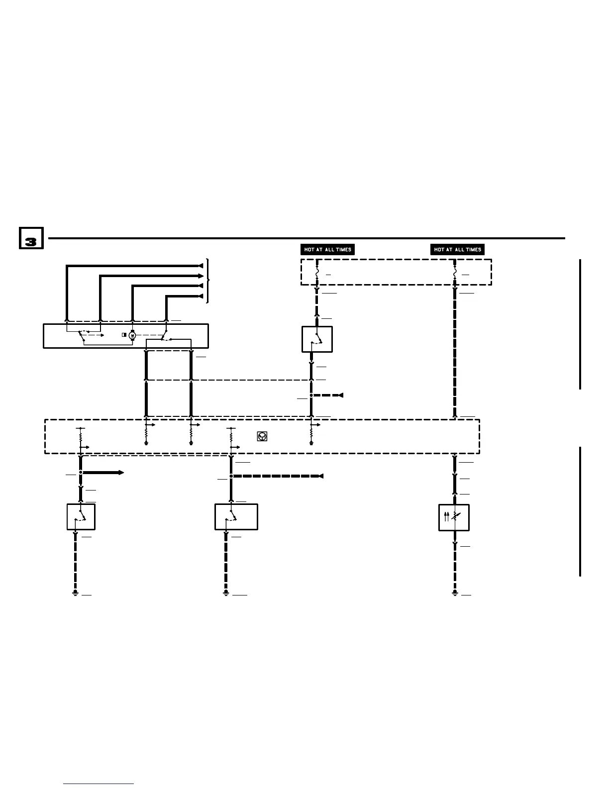
5120.0 ZKE DOOR LOCK HEATING (TSH)
04/99
5120.0Ć
1998
00
21
21
P90
FRONT POWER
DISTRIBUTION BOX
1
1
X495
X132542
S47
DRIVERS DOOR
LOCK SWITCH
0) OFF
3) CENTRAL
ARREST
.5 WS/GN
.5 RT/GN
1.5 BL/GR
1.5 SW
1.5 WS
3 2 1 6 X660
10 X132521314
2 X751
2 X747
10 X2571413
ZKE CENTRAL
LOCKING (ZV)
5126.0
4
X660
5
X747
1
X10015
14 X1001810
X257
8
X751
1
X257
19
2 X752
2 X352
.5 BR/RT/GE
.35 WS/GN
X449
X13006 X495
M12
DRIVERS DOOR
LOCK MOTOR
1) LOCK
2) UNLOCK
.5 WS/SW
.35 WS/SW
S48
DRIVERS DOOR
HANDLE SWITCH
1) HANDLE DOWN
2) HANDLE
LIFTED
1 X752
GROUND
DISTRIBUTION
0670.4
GROUND
DISTRIBUTION
0670.4
1 X352
S14
DRIVERS DOOR
JAMB SWITCH
1) DOOR OPEN
2) DOOR CLOSED
FUSE DETAILS
0670.3
.5 WS/RT
.35 WS/RT
.35 WS/RT
FUSE DETAILS
0670.3
A104
BODY
ELECTRONICS
CONTROL MODULE
(ZKE IV)
.75 BR/GE
GROUND
DISTRIBUTION
0670.4
F35
25A
.5 BR/RT/GE
X475
ZKE CENTRAL
LOCKING (ZV)
5126.0
X13253
3
.5 BR/GR/GE
.5 BR/RT/GE
.5 BR/GR/GE
X443
ANTITHEFT
SYSTEM (ALPINE)
6575.2
12
31
30
POWER WINDOWS
(FH)
5133.1
E48
DOOR LOCK
HEATER
12
F7
5A
03
3131
30
.5 BR/RT/GE

Table of Contents

Related product manuals