EasyManua.ls Logo

BMW E36 - GROUND DISTRIBUTION (X10012)

BMW E36
386 pages
Print Icon
To Next Page IconTo Next Page
To Next Page IconTo Next Page
To Previous Page IconTo Previous Page
To Previous Page IconTo Previous Page
Loading...
M35
.35 BR
E28
FRONT CIGAR
LIGHTER
X386
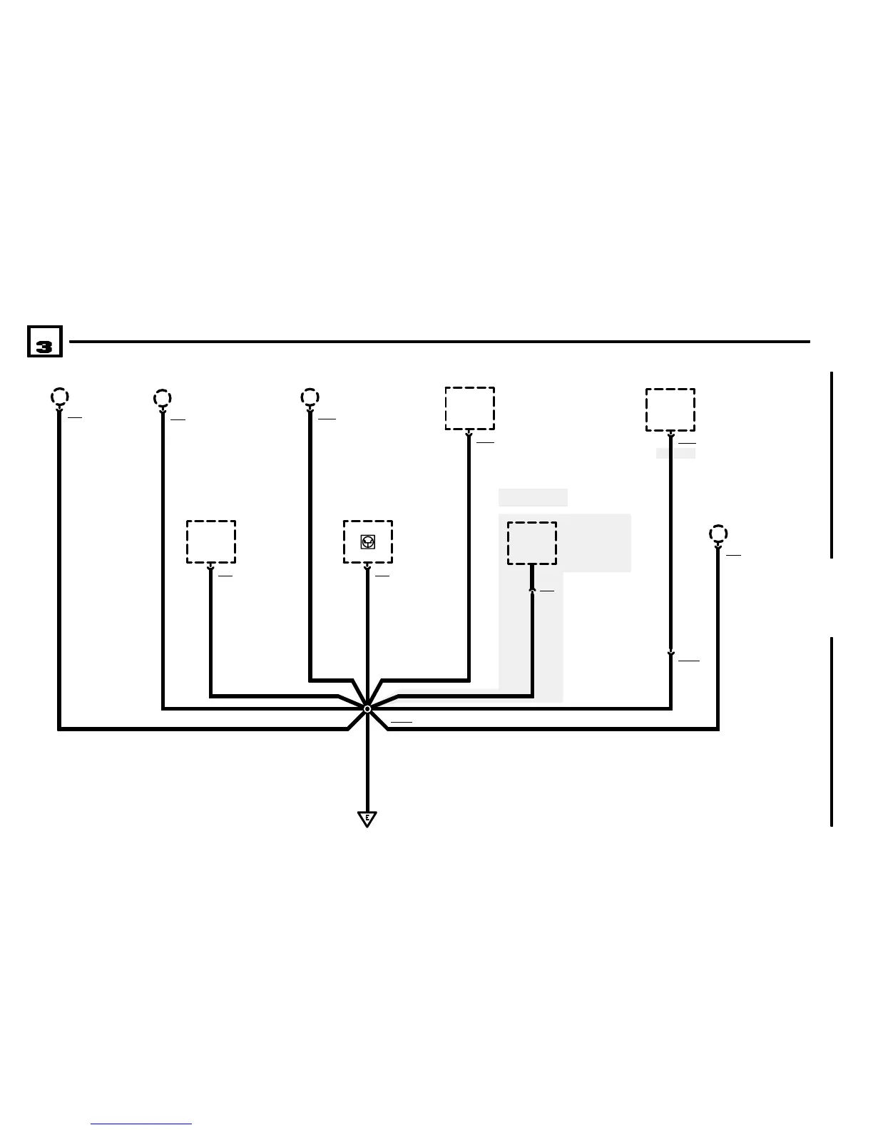
1
BMW
GROUND DISTRIBUTION
GROUND X10012
04/99
0670.4Ć
1998
14
.35 BR
X12131
E29
FRONT CIGAR
LIGHTER LIGHT
.5 BR
.5 BR
E28y
REAR ASHTRAY
LIGHT
X5321
E25
FRONT ASHTRAY
LIGHT
2
BMW
S8503
PROGRAM SWITCH
X8503
X1014
1
X10064
.5 BR
4 BR
2.5 BR
0670.4-15
WITH EGS
S6
ASC SWITCH
X521
4
.35 BR
X2857
2.5 BR
6 X19651
S5
WIPER/WASHER
SWITCH
X295
1
A51
WIPER/WASHER
MODULE
E45y
CASSETTE BOX
LIGHT
X706
1
.75 BR
.75 BR .5 BR
WIPER/WASHER
(HIGH)

Table of Contents

Related product manuals