EasyManua.ls Logo

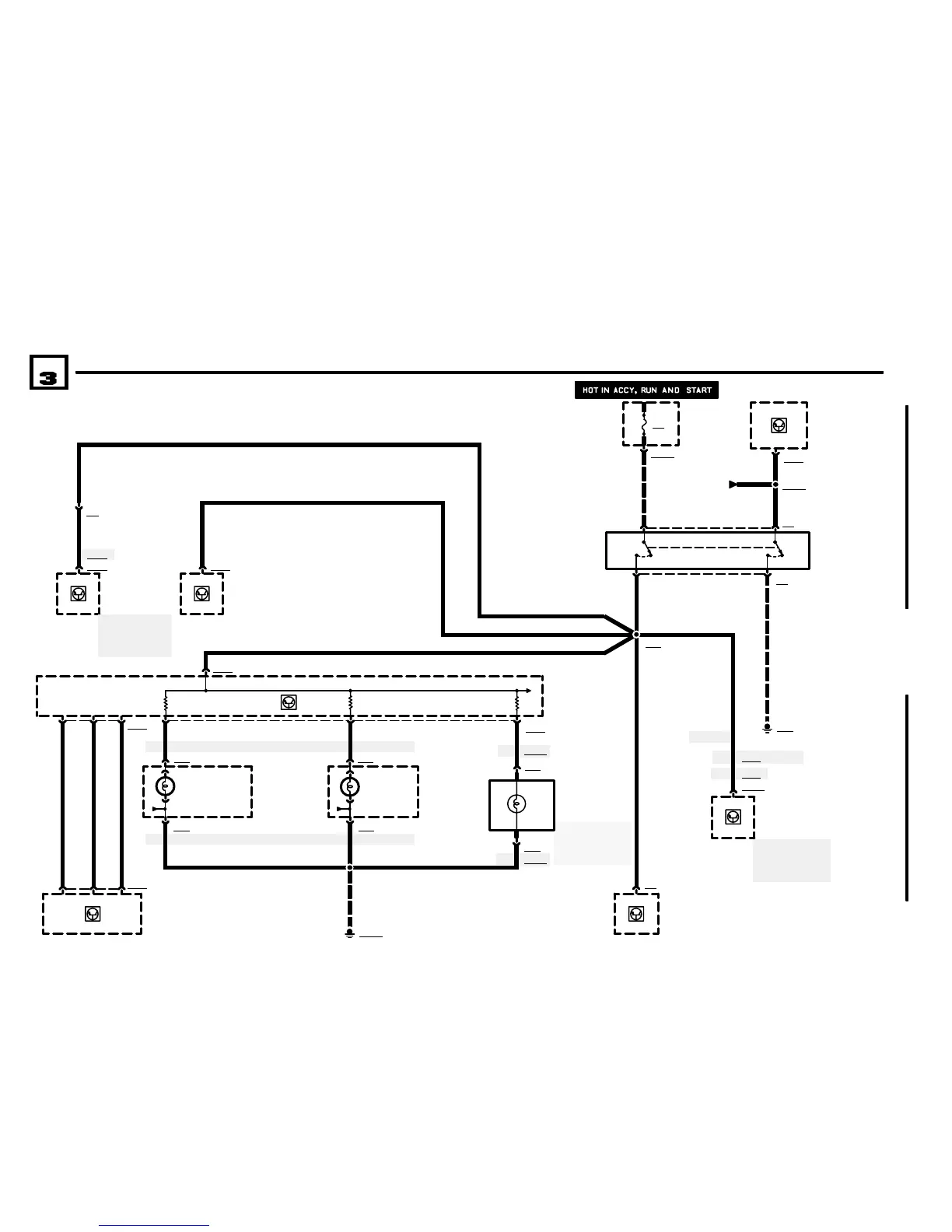
BMW E36 - BRAKE LIGHTS CONNECTOR, 4 PINS

BMW E36
386 pages
Print Icon
To Next Page IconTo Next Page
To Next Page IconTo Next Page
To Previous Page IconTo Previous Page
To Previous Page IconTo Previous Page
Loading...
X117132
.75 BL/RT
H34z
HIGH LEVEL STOP
LIGHT/REAR
SPOILER
1
A52
SLIP CONTROL
MODULE
(ABS/ASC)
.5 WS/
GR
X10018
F46
15A
21
2
32
1
1.5 BL/RT
BMWBMWBMW
BMW
BRAKE LIGHTS CONNECTOR, 4 PINS
04/99
6325.0Ć
1998
01
BRAKE LIGHTS
FUSE DETAILS
0670.3
S30
BRAKE LIGHT
SWITCH
1) BRAKE PEDAL
RELEASED
2) BRAKE PEDAL
DEPRESSED
3) BRAKE PEDAL
DEPRESSED
(TEST)
4) BRAKE PEDAL
RELEASED
(NORMAL)
X13006
GROUND
DISTRIBUTION
0670.4
X3184
X318
H34
HIGH LEVEL STOP
LIGHT
X413
2
E47
RIGHT LUGGAGE
COMPARTMENT
LIGHT ASSEMBLY
X319
8
X319
A8
CRUISE CONTROL
MODULE
(TEMPOMAT)
X22
15
P90
FRONT POWER
DISTRIBUTION BOX
4
E46
LEFT LUGGAGE
COMPARTMENT
LIGHT ASSEMBLY
8
1.5 BR
1.5 BR
H24
LEFT BRAKE LIGHT
H31
RIGHT BRAKE
LIGHT
X10749
3 X10704
34
X78
4
X1139418
815
X1074
7
X173
X1070
1
3 X78
A202
ABS CONTROL
MODULE/
HYDRAULIC UNIT
.35 BL/RT
N10
MULTIFUNCTION
CLOCK
1 BL/RT
.75 BL/BR
.5 WS/
GN
.35 BL/RT
A4
CHECK CONTROL
MODULE
.75 BL/RT
54R54L
54E
X107514
X4131
A8500
TRANSMISSION
CONTROL MODULE
(EGS)
X8500
10
.5 BL/RT
.75 BL/RT
X10090
EL. TRANS. CONTR.
(EGS A4S 270R)
2460.2
.35 BR/GR
X181
.75 BL/RT
.5 BR
.35 BR/GR
27
15
TWODOOR
TWODOOR
N4
ONBOARD
COMPUTER
X1070
2
N10
MULTIFUNCTION
CLOCK
.5 WS/BL
5
35
.35 BL/RT
A35
ONBOARD
DISPLAY
A35
ONBOARD
DISPLAY
A35
ONBOARD
DISPLAY
N10
MULTIFUNCTION
CLOCK
N4
ONBOARD
COMPUTER
GROUND
DISTRIBUTION
0670.4
N4
ONBOARD
COMPUTER
X117017
DATA
LAC CLC
2
318is
X6912
X11277
X11277
X7000
A7000
TRANSMISSION
CONTROL
MODULE (EGS)
EL. TRANS. CONTR.
(EGS A5S 310Z)
2460.4

Table of Contents

Related product manuals