EasyManua.ls Logo

BMW E36 - Page 139

BMW E36
386 pages
Print Icon
To Next Page IconTo Next Page
To Next Page IconTo Next Page
To Previous Page IconTo Previous Page
To Previous Page IconTo Previous Page
Loading...
5
2M3
BMW
04/99
2460.4Ć
1998
02
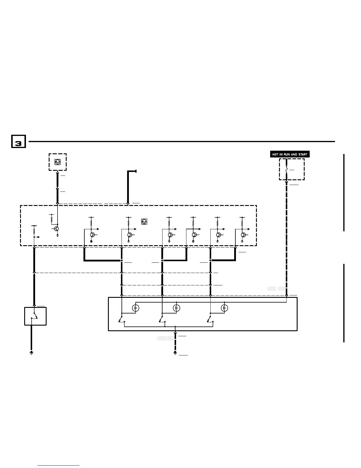
ELECTRONIC TRANSMISSION CONTROL (EGS A5S 310Z)
15
15
15 15 15
AUSF TXD
A7000
TRANSMISSION
CONTROL MODULE
(EGS)
A2w
INSTRUMENT
CLUSTER
X165
25
.5 GR/BR
.5 GR/BR
X6925
88
.5 WS/VI/GE
DATA LINK
0670.5
S8507
KICKDOWN
SWITCH
1) NORMAL
2) ACCELERATOR
PEDAL FULLY
DEPRESSED
18
1 X8507
17
.75 GR/GE
1.5 SW
45 13 12
.5 GE/BL
10
23
.5 GE/BR
X8565
1 7
24 22 X69
5 X8503
.35 GE/BL
.5 GE/WS
.35 GE/WS
.5 GE/GN
.35 GE/GN
E
X85032
S8503
PROGRAM SWITCH
0) OFF
3) ON
GROUND
DISTRIBUTION
0670.4
X10017
12
P90
FRONT POWER
DISTRIBUTION BOX
FUSE DETAILS
0670.3
X10012
EM S
F26
10A
12
31
31 31 31
03 03 03
S
X7000
4 5 3 X19561
M
.35 GE/BL .35 GE/WS .35 GE/GN
15
31
20
.5 GE/BL
15
31
15
31
X700017
27
.5 GE/WS.5 GE/WS
X8564
.5 GE/GN
X8576
.5 GE/GN
M3

Table of Contents

Related product manuals