EasyManua.ls Logo

BMW E36 - SLIP CONTROL (ABS;ASC) 318 is

BMW E36
386 pages
Print Icon
To Next Page IconTo Next Page
To Next Page IconTo Next Page
To Previous Page IconTo Previous Page
To Previous Page IconTo Previous Page
Loading...
BMW
04/99
3450.1Ć
1998
02
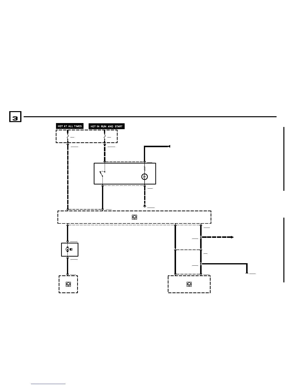
SLIP CONTROL (ABS/ASC)
5
P90
FRONT POWER
DISTRIBUTION BOX
F10
30A
.35 GR/RT
F21
5A
21
S6
ASC SWITCH
1) OFF
2) ON
A52
SLIP CONTROL
MODULE
(ABS/ASC)
21
20 X1171
2.5 SW/BR/GE
+
X100942
M93
AUXILIARY
THROTTLE
POSITION MOTOR
(ADS)
1 X10094
2.5 SW/GN/GE
A52
SLIP CONTROL
MODULE
(ABS/ASC)
X521
4
6
X10012
27
X1171
51
2
X521
LIGHT SWITCH
DETAILS
6300.0
58g
.5 BL/VI
TD
X1171
41
X1047
ENGINE CONTROL
SYSTEM MS41.1
(6CYLINDER M52)
1210.17
.5 SW
.5 SW
X2020
A6000
ENGINE CONTROL
MODULE (DME)
X6000
.5 SW
X8015
.5 SW
TD
X1001520
FUSE DETAILS
0670.3
FUSE DETAILS
0670.3
GROUND
DISTRIBUTION
0670.4
36
323i, 328i, M3
X100172
1 X6002
D100
DATA LINK
CONNECTOR
.5 SW
15
9
15
.5 WS/GR/GE
.5 BR/RT

Table of Contents

Related product manuals