EasyManua.ls Logo

BMW E36 - Page 161

BMW E36
386 pages
Print Icon
To Next Page IconTo Next Page
To Next Page IconTo Next Page
To Previous Page IconTo Previous Page
To Previous Page IconTo Previous Page
Loading...
BMW
04/99
3450.1Ć
1998
07
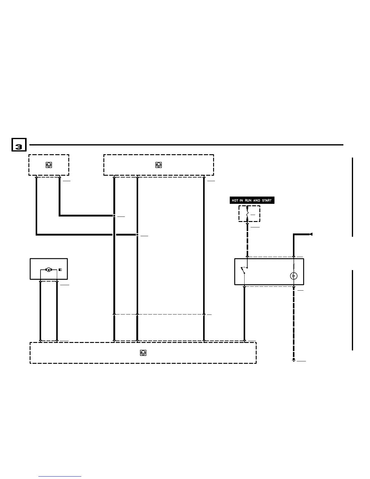
SLIP CONTROL (ABS/ASC)
5
P90
FRONT POWER
DISTRIBUTION BOX
.35 GR/RT
S6
ASC SWITCH
1) OFF
2) ON
6
.5 BR
A52
SLIP CONTROL
MODULE
(ABS/ASC)
X521
4
6
39 X1170
FUSE DETAILS
0670.3
2 X521
LIGHT SWITCH
DETAILS
6300.0
58g
GROUND
DISTRIBUTION
0670.4
.35 BL/VI
F21
5A
7
.5 GE
A8500
TRANSMISSION
CONTROL MODULE
(EGS)
8685 X8500
A6000
ENGINE CONTROL
MODULE (DME)
8586
.35 SW .35 GE .35 GE .35 SW
79
X6000
.75 BR/RT
X7845
X7846
.35 GE .35 SW
2 X20
1
37
9
.5 WS/GR/GE
2 X10017
CAN LOWCAN HIGH
21
318is
X10012
1
1 SW/GN
3
1 SW/BR
1
X10094
2
M93
AUXILIARY
THROTTLE
POSITION MOTOR
(ADS)
X11395

Table of Contents

Related product manuals