EasyManua.ls Logo

BMW E36 - POWER WINDOWS (FH)

BMW E36
386 pages
Print Icon
To Next Page IconTo Next Page
To Next Page IconTo Next Page
To Previous Page IconTo Previous Page
To Previous Page IconTo Previous Page
Loading...
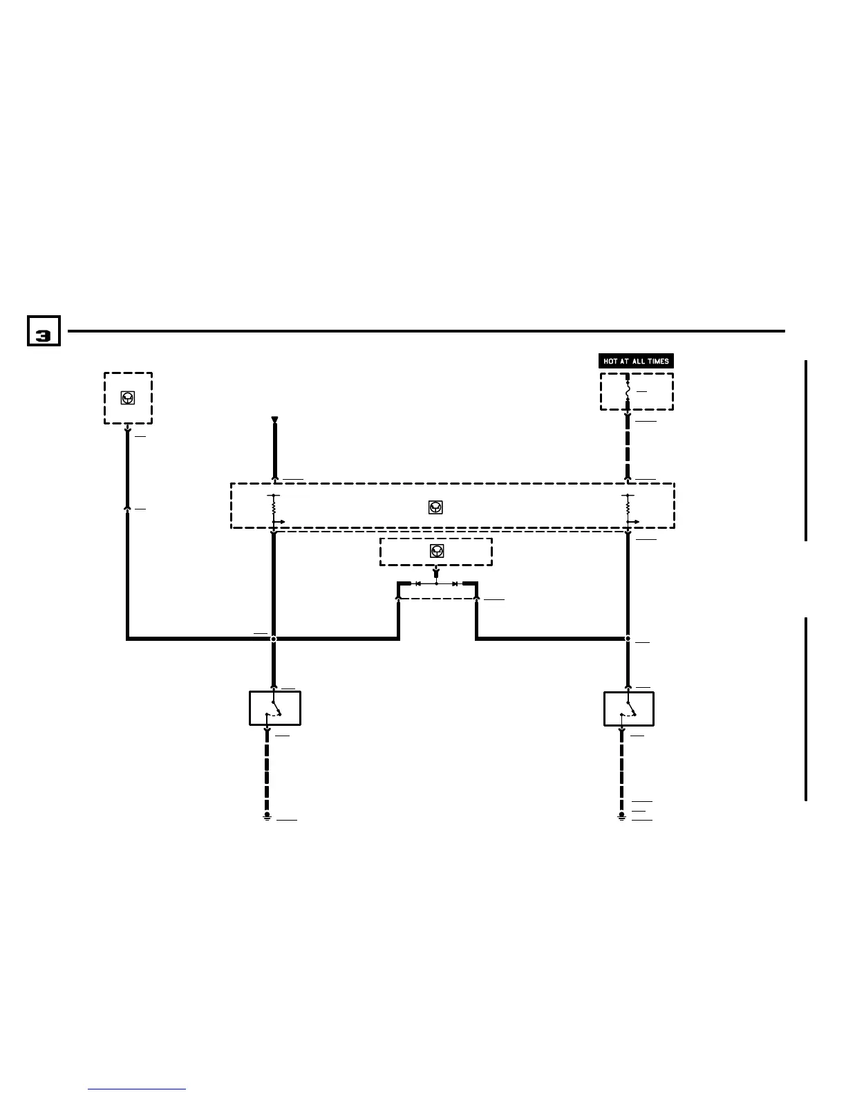
4
04/99
5133.1Ć
1998
00
A104
BODY
ELECTRONICS
CONTROL MODULE
(ZKE IV)
S14
DRIVERS DOOR
JAMB SWITCH
1) DOOR OPEN
2) DOOR CLOSED
2
.5 BR/GR/GE
12
S13
PASSENGERS
DOOR JAMB
SWITCH
1) DOOR OPEN
2) DOOR CLOSED
12
X443
GROUND
DISTRIBUTION
0670.4
.5 BR/GR/GE.5 BR/GR/GE
3
.5 BR/BL/GE
X13254
N12w
ANTITHEFT
CONTROL MODULE
(ALPINE)
.5 BR/BL/GE
30 30
P90
FRONT POWER
DISTRIBUTION BOX
F14
30A
BMW
INPUT DETAILS
5133.1 POWER WINDOWS (FH)
8
X10016
X132528
FUSE DETAILS
0670.3
X1018212
START
1240.0
5 X13025
X445
.35 SW/GN
X13004
.5 BR/GR/GE .5 BR/BL/GE
GROUND
DISTRIBUTION
0670.4
X13006
X3521
X352
2
X351
1
X351
2
A2w
INSTRUMENT
CLUSTER
23
X17
X1413
X495
X13006
FOURDOOR
CONVERTIBLE
TWODOOR
.5 BR/GR/GE

Table of Contents

Related product manuals