EasyManua.ls Logo

BMW E36 - Page 209

BMW E36
386 pages
Print Icon
To Next Page IconTo Next Page
To Next Page IconTo Next Page
To Previous Page IconTo Previous Page
To Previous Page IconTo Previous Page
Loading...
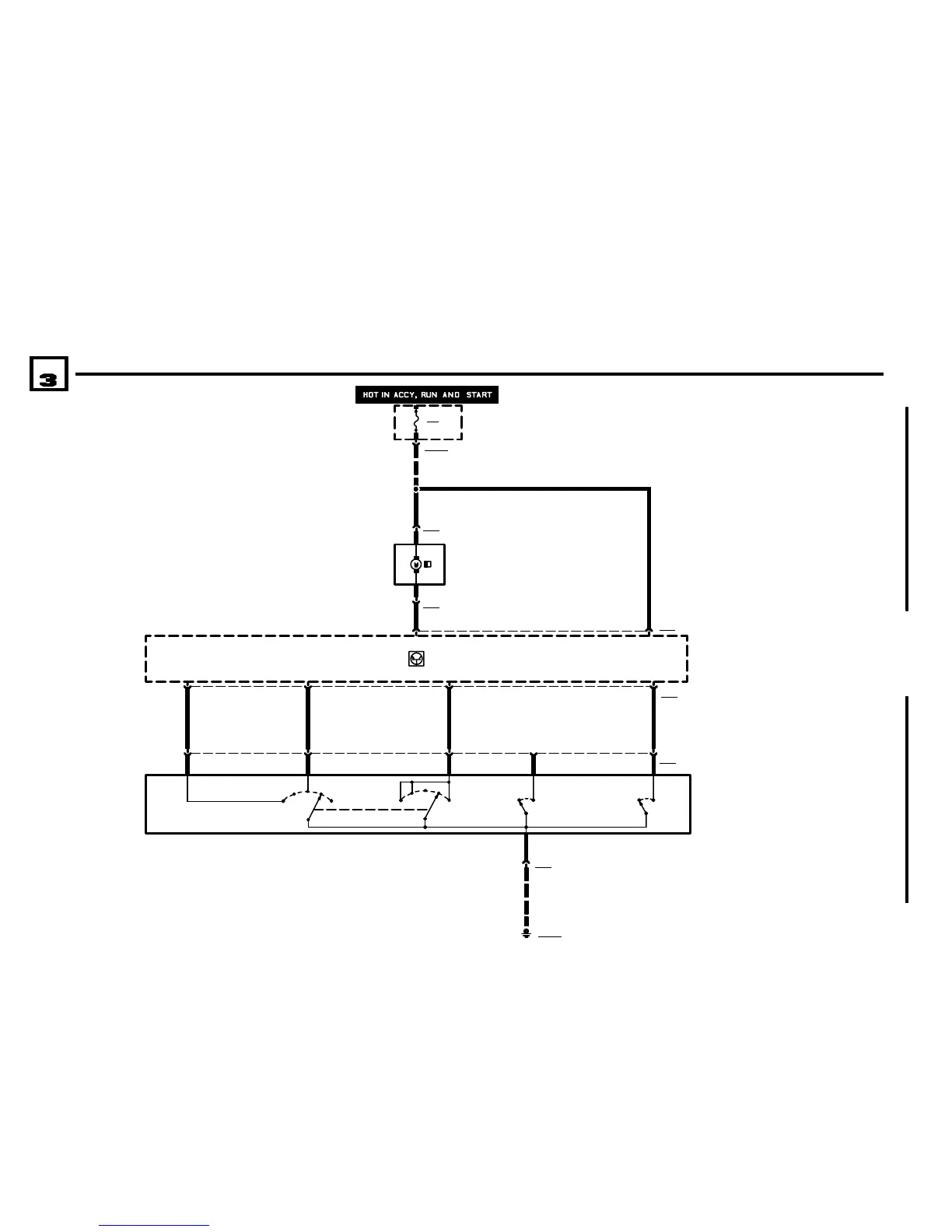
.5 BR/VI
5
.75 BR/VI
X107
X107
BMW
WASHER HIGH
WIPER/WASHER MODULE (WWM)
04/99
6160.1Ć
1998
02
A51
WIPER/WASHER
MODULE
FUSE DETAILS
0670.3
S5
WIPER/WASHER
SWITCH
0) OFF
1) SINGLE WIPE
2) INTERMITTENT
3) NORMAL
4) FAST
5) WASH
6) INTENSIVE
WASH
11
1
X295
10
7 X295
1
2
M4
WASHER PUMP
.75 SW/GN
P90
FRONT POWER
DISTRIBUTION BOX
.75 BR/VI
X285
.75 BR
X10012
GROUND
DISTRIBUTION
0670.4
F44
15A
9
2
.35 SW/BR
.75 SW/BL
13
4
.35 SW/BL
.75 SW/BR
3
.75 SW/GR
28 X10018
.35 SW/GR
8 X285
12
NOT USED
.5 VI/SW .35 VI/SW
05
2
0
13
4
06
2
0
13
4

Table of Contents

Related product manuals