EasyManua.ls Logo

BMW E36 - Page 238

BMW E36
386 pages
Print Icon
To Next Page IconTo Next Page
To Next Page IconTo Next Page
To Previous Page IconTo Previous Page
To Previous Page IconTo Previous Page
Loading...
BMW
BMWBMWBMW
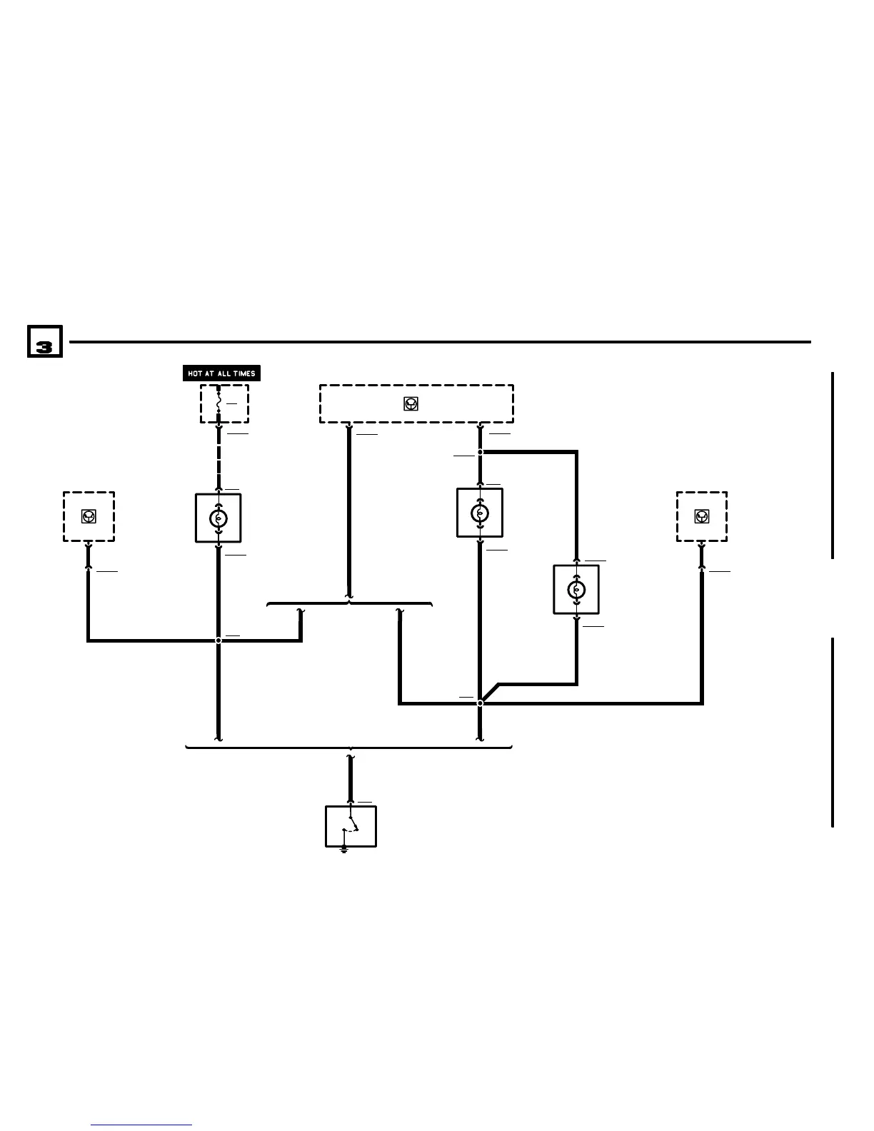
LICENSE PLATE/LUGGAGE COMPARTMENT LIGHTS
04/99
6320.0Ć
1998
01
F33
10A
E101
LEFT LUGGAGE
COMPARTMENT
LIGHT
.75 BR/WS
1
X711
1 X712
S61y
LUGGAGE COMPARTMENT
LIGHT SWITCH
1) TRUNK CLOSED
2) TRUNK OPEN
12
X180801
A104
BODY
ELECTRONICS
CONTROL MODULE
(ZKE IV)
6 26X10018
11
.5 BR/WS
X13025
N12w
ANTITHEFT
CONTROL MODULE
(ALPINE)
X465
.75 BR/WS
P90
FRONT POWER
DISTRIBUTION
BOX
E102
RIGHT LUGGAGE
COMPARTMENT
LIGHT
1 X18798
X187971
X18799
X13253
.75 VI/SW
.75 VI/SW
.75 BR/WS
.75 VI/SW
FUSE DETAILS
0670.3
E32
LUGGAGE
COMPARTMENT
LIGHT
.75 BR/WS
1 X712
X180801
X465
.75 BR/WS
11
.5 BR/WS
X13025
N12w
ANTITHEFT
CONTROL MODULE
(ALPINE)
14 X13254
.75 BR/WS
TWODOOR CONVERTIBLE
.5 BR/WS
.5 BR/WS .5 BR/WS
CONVERTIBLEFOURDOOR
FOURDOOR
TWODOOR

Table of Contents

Related product manuals