EasyManua.ls Logo

BMW E36 - Page 271

BMW E36
386 pages
Print Icon
To Next Page IconTo Next Page
To Next Page IconTo Next Page
To Previous Page IconTo Previous Page
To Previous Page IconTo Previous Page
Loading...
.5 RT/WS
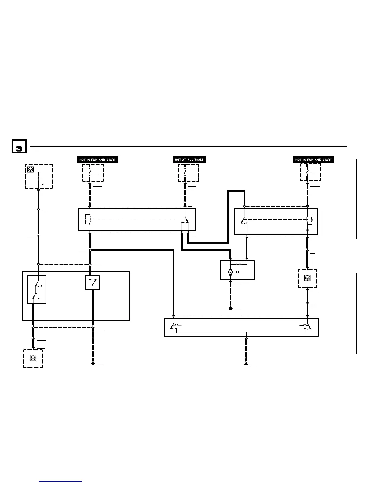
AUXILIARY FAN 4CYLINDER ENGINE
04/99
6450.7Ć
1998
06
INTEGRATED CLIMATE REGULATION (IHKA E36)
.35 SW/GR
X1890
1
B9
INTERMEDIATE
PRESSURE
SWITCH
1) ABOVE 18 BAR
PRESSURE
2) 15 BAR
PRESSURE
P90
FRONT POWER
DISTRIBUTION
BOX
K22
HIGH SPEED
RELAY
K21
NORMAL SPEED
RELAY
X113792
.5 SW/GR
4 SW/BL
X189023
X203
1
S36y
DOUBLE
TEMPERATURE
SWITCH
1) OPEN
2) ABOVE 88
DEGREES C
3) ABOVE 80
DEGREES C
4) OPEN
M9
AUXILIARY FAN
MOTOR
8 X536
6 X52
4
X102613
X10261
2
X165
X1001612
4
2 X525
X15882
FUSE DETAILS
0670.3
4. GN/RT
X10027
GROUND
DISTRIBUTION
0670.4
BMW
X53
.5 SW/GR
X6000
5 X20
A6000
ENGINE CONTROL
MODULE (DME)
.5 SW/GR
B8y
PRESSURE SWITCH
1) PRESSURE BELOW
21 BAR
2) PRESSURE ABOVE
30 BAR
3) PRESSURE ABOVE
2.6 BAR
4) PRESSURE BELOW
1.5 BAR
A115
AUTOMATIC
CLIMATE CONTROL
MODULE
.5 BL/SW
.35 BL/SW
1
9 X10054
X152711
.5 SW/BR
GROUND
DISTRIBUTION
0670.4
B9508
PRESSURE
SWITCH
.5 SW/GR
4 BL
4
X1022
.5 SW/BR
25
X165
GROUND
DISTRIBUTION
0670.4
P97
AUXILIARY FUSE
BOX
P90
FRONT POWER
DISTRIBUTION
BOX
X1001612
FUSE DETAILS
0670.3
X165
15
11
X208
X6000
A6000
ENGINE CONTROL
MODULE (DME)
X600068
.5 GR/VI
X113793
.35 SW/GN
F16
5A
12
34
12
3086
87a
85
87
F48
40A
F16
5A
12
43
30 86
87 85
57
FUSE DETAILS
0670.3

Table of Contents

Related product manuals