EasyManua.ls Logo

BMW E36 - Page 278

BMW E36
386 pages
Print Icon
To Next Page IconTo Next Page
To Next Page IconTo Next Page
To Previous Page IconTo Previous Page
To Previous Page IconTo Previous Page
Loading...
X1780
BMWBMWBMWBMW
4 X17802
TOP HIFI
RADIO/HIFI/TOP HIFI
04/99
6510.1Ć
1998
05
P90
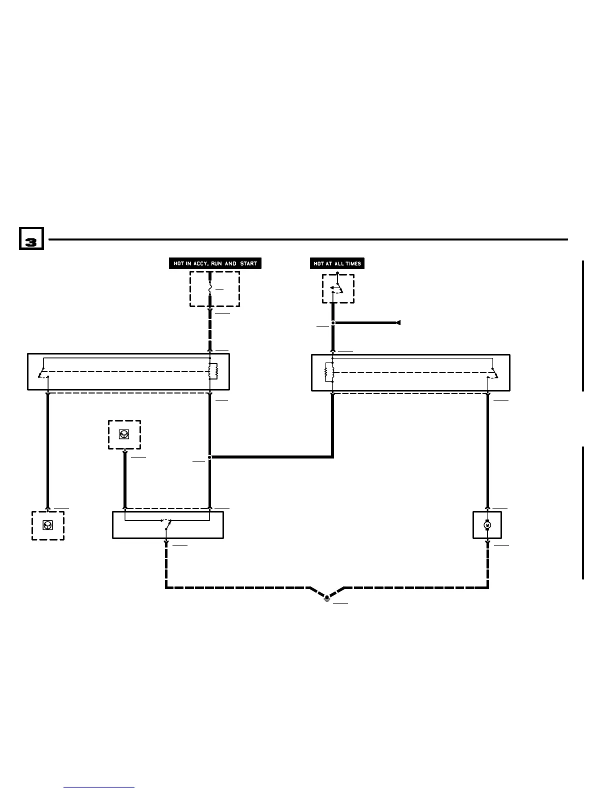
FRONT POWER
DISTRIBUTION BOX
F43
5A
K128
SPATIAL SOUND
RELAY
.35 VI/GE
26 X10018
6
X10266
FUSE DETAILS
0670.3
1 X13142
K99
REAR WINDOW
BLOWER RELAY
6
A96
CONVERTIBLE TOP
CONTROL MODULE
8 X13159
X1783
.35 BR/GE
X13143
32
X13006
1 X13143 2 X13142
GROUND
DISTRIBUTION
0670.4
GROUND
DISTRIBUTION
0670.4
M105
REAR WINDOW
BLOWER
S196
REAR WINDOW
BLOWER MICRO
SWITCH
1) CONVERTIBLE
TOP RAISED
UP
2) CONVERTIBLE
TOP DOWN
.5 GN/SW
21
X10092
CONVERTIBLE
A18
HIFI AMPLIFIER
X1226
K13
REAR DEFOGGER
RELAY
2
.35 BR/GE
REAR WINDOW
DEFOGGER/AN-
TENNA
6424.0
2.5 SW
2.5 SW
2 X10092
4
.35 BR/GE 2.5 RT/SW
2.5 SW

Table of Contents

Related product manuals