EasyManua.ls Logo

BMW E36 - Page 30

BMW E36
386 pages
Print Icon
To Next Page IconTo Next Page
To Next Page IconTo Next Page
To Previous Page IconTo Previous Page
To Previous Page IconTo Previous Page
Loading...
BMW
BMWBMW
BMW
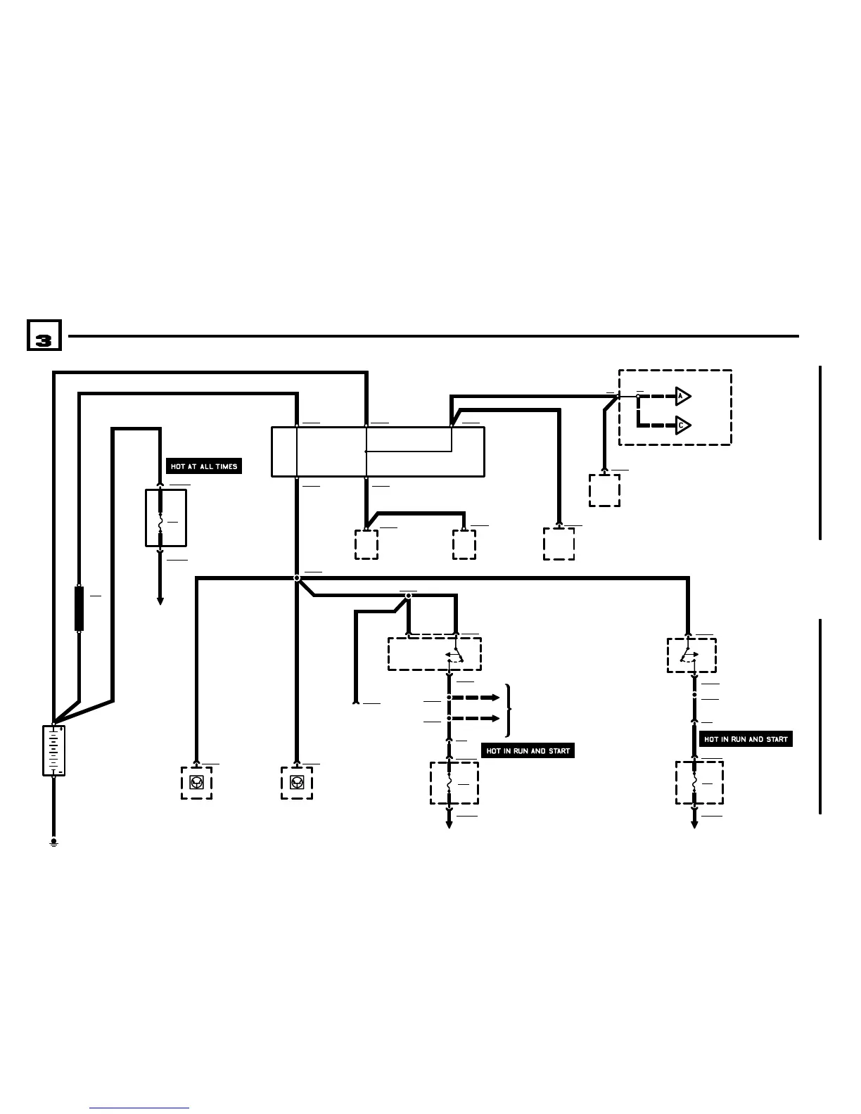
POWER DISTRIBUTION
04/99
0670.2Ć
1998
01
323i, 328i, M3
70 RT 6 RT
6 RT
F97
80A
X0
30
B+
X6512
X6509
M6510
STARTER
G6509
GENERATOR
16 RT
1240.0
1230.0
10 RT
25 RT
G6430
B+ JUMP START
JUNCTION POINT
X6433X6430
X6432X6431
.5 RT .5 RT
2 X6304
K6304
SECONDARY AIR
PUMP RELAY
1210.17
6 RT
X6411
X6437
26 X8500
A8500
TRANSMISSION
CONTROL MODULE
(EGS)
2460.2
26 X6000
A6000
ENGINE CONTROL
MODULE (DME)
1210.17
X6412
4 RT
4 RT
4 RT
1.5 RT
2
1
F49
20A
X19564
X19564
4 RT
4 RT
P96
AUXILIARY FUSE
BOX IN LUGGAGE
COMPARTMENT
6 X6326
K6326
UNLOADER RELAY,
TERMINAL 15
2.5 RT
0670.2-02
P90
FRONT POWER
DISTRIBUTION
BOX
X2
0670.2-07
FUSE DETAILS
0670.3
G1
BATTERY
1210.17
14 X6002
D100
DATA LINK
CONNECTOR
2.5 RT
6 X6301
K6301
CYL. 16 FUEL
PUMP RELAY
F18
15A
16
X10016
13 X20
15 X10016
2.5 GN/VI
P90
FRONT POWER
DISTRIBUTION BOX
FUSE DETAILS
0670.3
2 X6301
1.5 GN/VI
2.5 GN/VI
1.5 GN/VI
X8007
8
6
K6300
ENGINE CONTROL
MODULE RELAY
X6300
4 RT
30
F50
5A
2
X10273
2 X6300
2.5 RT/WS
1.5 RT/WS
8 X20
1 X10273
1 RT/WS/GE
X6822
FUSE DETAILS
0670.3
87
4 RT/WS
X6821
ENGINE CONTROL
SYSTEM MS41.1
(6CYLINDER M52)
1210.17
P97
AUXILIARY FUSE
BOX
1 RT/WS/GE

Table of Contents

Related product manuals