EasyManua.ls Logo

BMW E36 - Page 344

BMW E36
386 pages
Print Icon
To Next Page IconTo Next Page
To Next Page IconTo Next Page
To Previous Page IconTo Previous Page
To Previous Page IconTo Previous Page
Loading...
BMWBMWBMWBMW
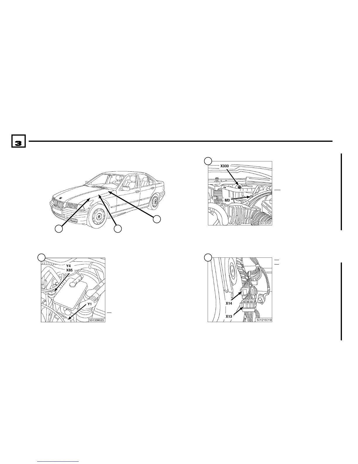
COMPONENT LOCATION VIEWS
04/99
7100.0Ć
1998
16
M3
WIPER MOTOR
X13
Y1
ABS HYDRAULIC
UNIT
1
Y4
WATER VALVE
ASSEMBLY
X85
X333
X14
3
2
1
2
3

Table of Contents

Related product manuals