EasyManua.ls Logo

BMW E36 - Page 346

BMW E36
386 pages
Print Icon
To Next Page IconTo Next Page
To Next Page IconTo Next Page
To Previous Page IconTo Previous Page
To Previous Page IconTo Previous Page
Loading...
BMWBMWBMWBMW
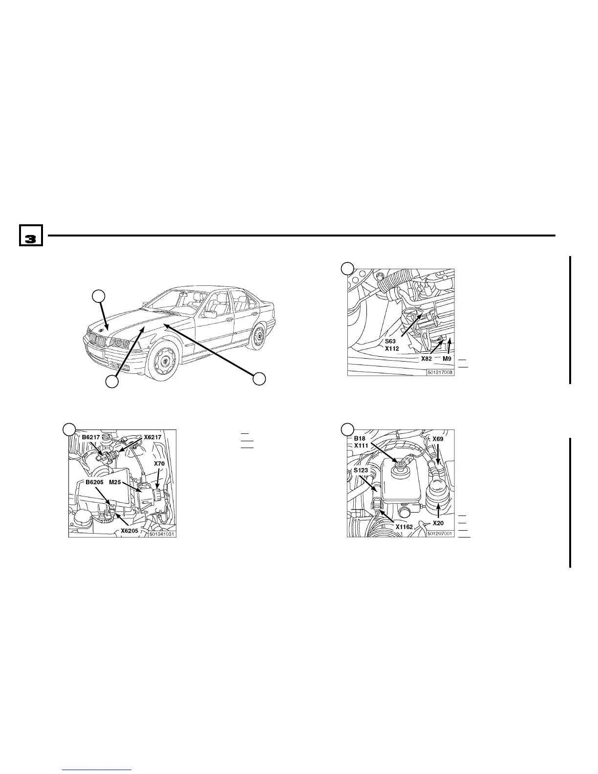
COMPONENT LOCATION VIEWS
04/99
7100.0Ć
1998
18
3
M9
AUXILIARY FAN
MOTOR
B18
BRAKE FLUID
LEVEL SWITCH
B6205
INTAKE AIR
TEMPERATURE
SENSOR
1
S123
ABS PEDAL
TRAVEL SENSOR
X20
X69
X111
X1162
S63
ENGINE COOLANT
LEVEL SWITCH
X82
X112
2
3
1
318is
B6217
HOT FILM AIR
MASS METER
X70
X6205
X6217
M25
CRUISE CONTROL
ACTUATOR
(TEMPOMAT)
2

Table of Contents

Related product manuals