EasyManua.ls Logo

BMW E36 - Page 357

BMW E36
386 pages
Print Icon
To Next Page IconTo Next Page
To Next Page IconTo Next Page
To Previous Page IconTo Previous Page
To Previous Page IconTo Previous Page
Loading...
BMWBMWBMWBMW
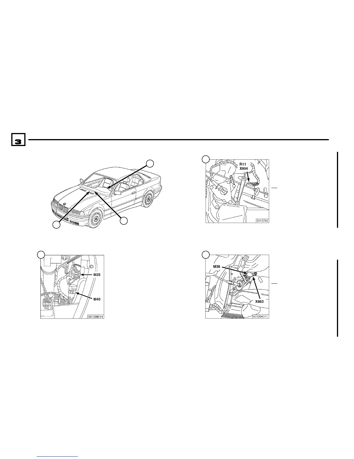
COMPONENT LOCATION VIEWS
04/99
7100.0Ć
1998
29
R11
BLOWER
RESISTORS
M36
FRESH AIR FLAP
MOTOR
M35
DEFROSTER FLAP
MOTOR
1
M40
RECIRCULATION
FLAP MOTOR
X904
X663
1
3
2
3
2

Table of Contents

Related product manuals