EasyManua.ls Logo

BMW Wallbox Pro - Three Phase Feed

BMW Wallbox Pro
68 pages
Print Icon
To Next Page IconTo Next Page
To Next Page IconTo Next Page
To Previous Page IconTo Previous Page
To Previous Page IconTo Previous Page
Loading...
27
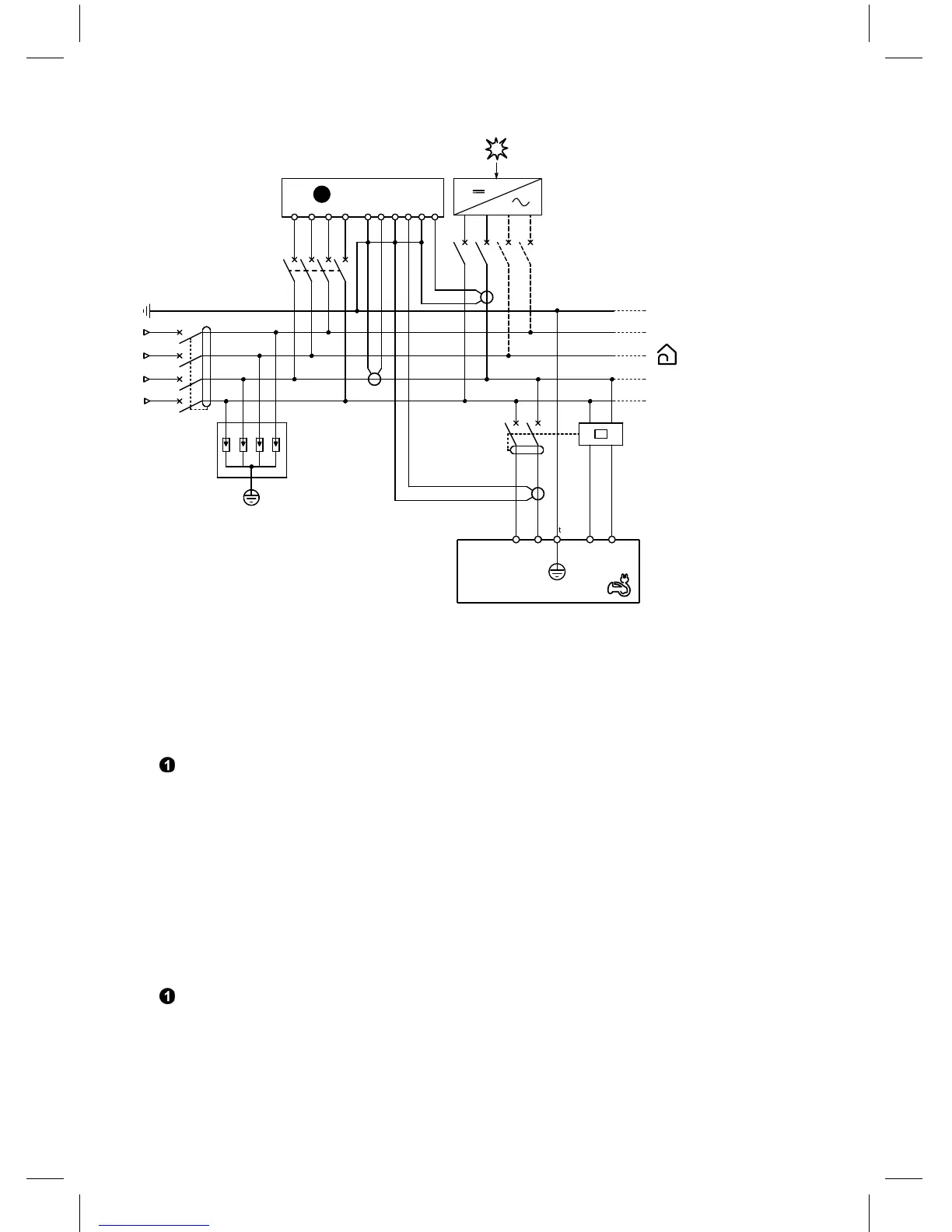
Three phase feed / Dreiphasige Einspeisung
U<
1
3
5
7
Q1
1
2
3
4
Q2 U
N L1
E1 E2
N
L1
N
L1
L2
L3
380/415V
1 3
2 4
5 7
6 8
F1
1
Wallbox Pro
S2 S1 S1 S2 S1 S2
(I1) (I2) (I3)
Vn
V3V2
V1
1
2
3
4
5
6
7
8
CT1
CT3
CT2
1
Q1: main circuit breaker
Q2: circuit breaker: rating 40 A (recommended) - C curve Residual Current Device: rating 30 mA -
A type (A Si type recommended)
U: u ndervoltage remote tripping auxiliary (optional additional protection)
F1: surge protection device (optional (*) ) Type 2 Up = 1.5 kV
Power meter (only with part no. 61 90 2 288 283): refer to the documentation of the power
meter for the installation of the current transformers.
(*) For Russia, Australia and New Zealand, the surge protection device is mandatory.
Q1: Hauptleistungsschutzschalter
Q2: Leistungsschutzschalter: 40 A (empfohlen) - C-Kurve Fehlerstromschutzschalter: 30 mA - A-
Typ (A Si-Typ empfohlen)
U: zusätzliche Fernauslösung bei Unterspannung (optionaler zusätzlicher Schutz)
F1: Überspannungsschutzgerät (optional (*)) Typ 2 Up = 1,5 kV
Stromzähler (nur mit Teilenummer 61 90 2 288 283): Sehen Sie die Dokumentation des
Stromzählers hinsichtlich der Installation von Stromwandlern.
(*) In Russland, Australien und Neuseeland ist das Überspannungsschutzgerät vorgeschrieben.

Related product manuals