EasyManua.ls Logo

BMW Z3(E36/7) - Page 109

BMW Z3(E36/7)
367 pages
Print Icon
To Next Page IconTo Next Page
To Next Page IconTo Next Page
To Previous Page IconTo Previous Page
To Previous Page IconTo Previous Page
Loading...
BM
BMW
BMWBMW
Z3
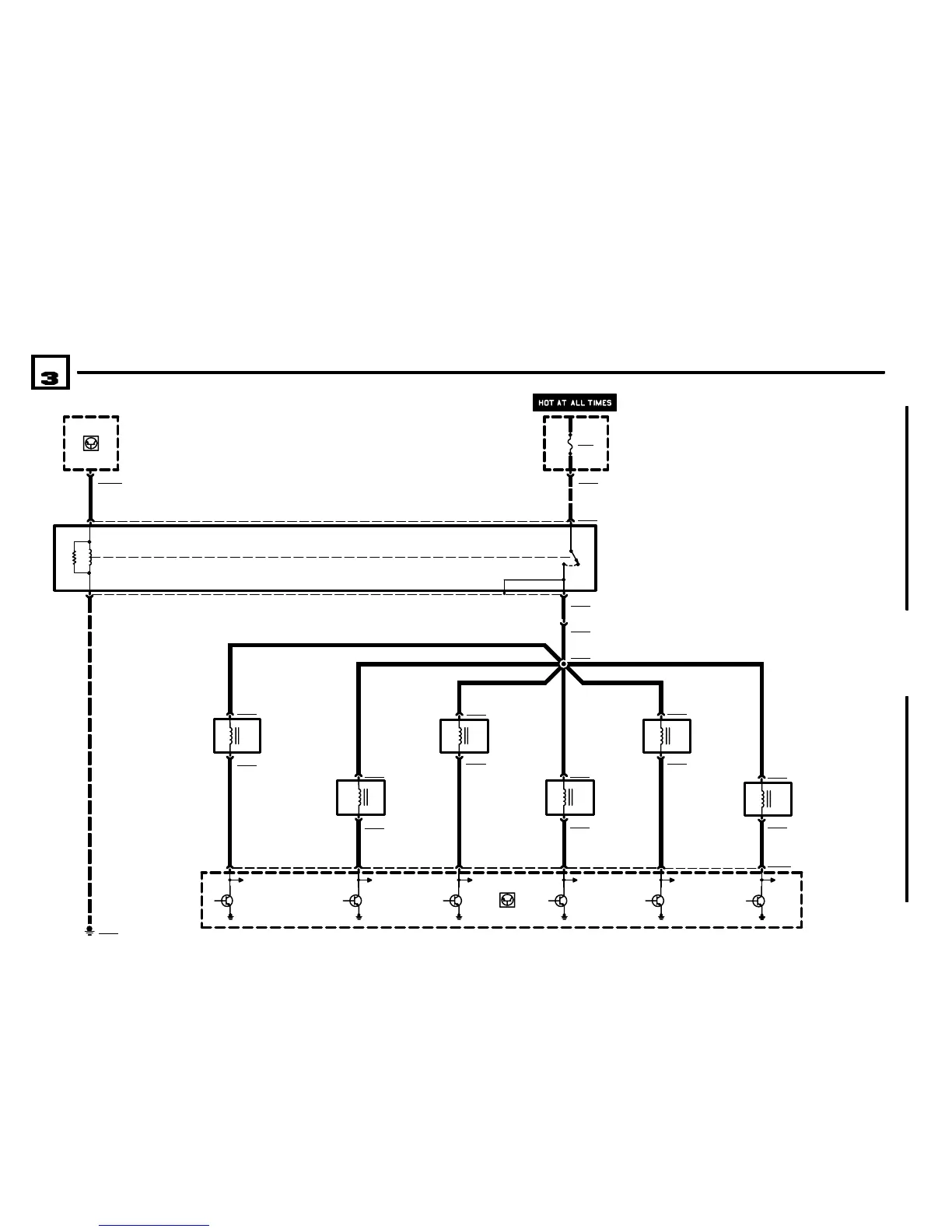
ENGINE CONTROL SYSTEM MSS54 (6CYLINDER S54 B32)
2
01/01
1210.27Ć
2001
02
A6000
ENGINE CONTROL
MODULE (DME)
Y6106
CYL. 6 FUEL
INJECTION VALVE
+
Y6101
CYL. 1 FUEL
INJECTION VALVE
+
Y6102
CYL. 2 FUEL
INJECTION VALVE
+
Y6103
CYL. 3 FUEL
INJECTION VALVE
+
Y6104
CYL. 4 FUEL
INJECTION
VALVE
+
Y6105
CYL. 5 FUEL
INJECTION VALVE
+
33 34 35 36 38 X60003
1 X6101
1 X6103
1
X6105
1 X6106
1 X6104
1 X6102
2 X6102
2 X6104 2 X6106
2
X6105
2 X6103
X6101
.75 BR/WS .75 BR/RT .75 BR/GE .75 BR/BL .75 BR/GN .75 BR/VI
37
31 31 31 31 31
31
10
FUSE DETAILS
0670.3
F205
30A
X8680
P98
FUSE HOLDER IN
EBOX
.5 RT/GE .5 RT/GE .5 RT/GE .5 RT/GE .5 RT/GE .5 RT/GE
4
85
30
87
X6327
6
X6327
2
K6327
INJECTION VALVES
RELAY
X6454
GROUND
DISTRIBUTION
0670.4
1 X60001
A6000
ENGINE CONTROL
MODULE (DME)
86
8
5 GN
X60531
2.5 RT/GE
2.5 RT/GE
X6970
M VERSIONS

Table of Contents

Other manuals for BMW Z3(E36/7)

Related product manuals