EasyManua.ls Logo

BMW Z3(E36/7) - Page 111

BMW Z3(E36/7)
367 pages
Print Icon
To Next Page IconTo Next Page
To Next Page IconTo Next Page
To Previous Page IconTo Previous Page
To Previous Page IconTo Previous Page
Loading...
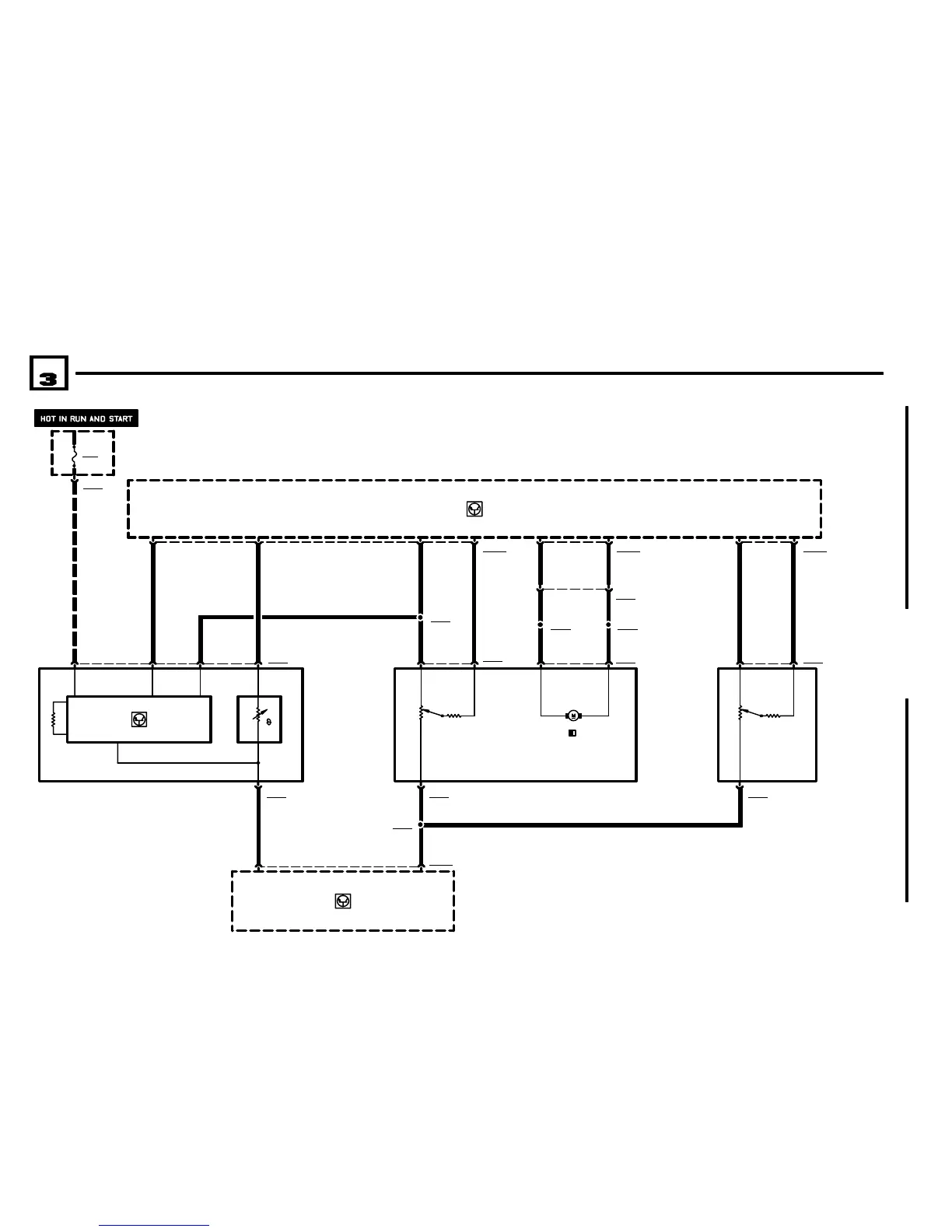
P98
FUSE HOLDER IN
EBOX
BM
BMW
BMWBMW
Z3
ENGINE CONTROL SYSTEM MSS54 (6CYLINDER S54 B32)
01/01
1210.27Ć
2001
04
A6000
ENGINE CONTROL
MODULE (DME)
7 10 X60001
221
B6207
HOT FILM AIR MASS
METER
1) INTAKE AIR
TEMPERATURE
SENSOR
2
X86806
X62073
5 4 1
17 20
Y5392
ELECTRIC
THROTTLE MOTOR
X53933
1 2
.5 BR
.5 BR/OR
X6475
X5393
9 2
1 2
X5285
X5392
X60003
X5284
7 6
14 23
X62523
1 2
R6252
THROTTLE
POSITION SENSOR
X5286
A6000
ENGINE CONTROL
MODULE (DME)
.5 GE .5 GE/BL .5 RT/GN .5 VI
2.5 WS 2.5 RT
.5 RT/GE .5 WS
.5 BR
.5 BR
X6053
2.5 WS 2.5 RT
2.5 WS 2.5 RT
X60003
X60003
X6252
.5 RT/GN
X6207
.5 RT/GN
1
FUSE DETAILS
0670.3
F203
20A
M VERSIONS

Table of Contents

Other manuals for BMW Z3(E36/7)

Related product manuals