EasyManua.ls Logo

BMW Z3(E36/7) - Page 112

BMW Z3(E36/7)
367 pages
Print Icon
To Next Page IconTo Next Page
To Next Page IconTo Next Page
To Previous Page IconTo Previous Page
To Previous Page IconTo Previous Page
Loading...
46
4
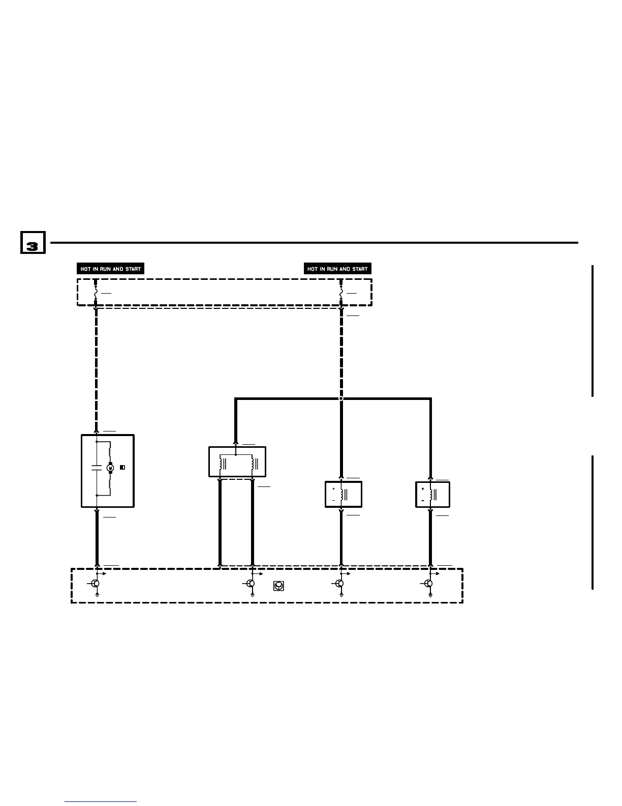
FUSE DETAILS
0670.3
X8680
P98
FUSE HOLDER IN
EBOX
47
01/01
1210.27Ć
2001
05
3
2 X6130
X61651
1 RT/WS/GE
51 42 X60003
Y6130
IDLE SPEED
CONTROL VALVE
Y6165
SOLENOID VALVE,
SUCKING JET
PUMP
A6000
ENGINE CONTROL
MODULE (DME)
X6130
X61202
1 X6120
Y6120
EVAPORATIVE
EMISSION VALVE
.5 WS/GN
31 31 31
BMBMWBMWBMW
Z3
ENGINE CONTROL SYSTEM MSS54 (6CYLINDER S54 B32)
1
.5 WS/GE .5 GE/BR
X6165
2
.5 RT/WS/GE
.5 BR/SW
.5 RT/WS/GE
6
FUSE DETAILS
0670.3
12 X60002
X65062
31
.5 BR/GE
M6506
EBOX FAN
1 X6506
F202
30A
F202
30A
M VERSIONS

Table of Contents

Other manuals for BMW Z3(E36/7)

Related product manuals